China-OCXO in the Box

Oven Controlled Cristal Oscillator

zurück zu Elektronik , Frequenznormal , Homepage


Allgemeines

Gehäuse
Spannungsversorgung
10-MHz-Ausgangsstufe
Frequenzvervielfacher
Platine
Front- und Rückseite
Montage

Fazit
Foto




Allgemeines
Ich habe auf Ebay einen chinesischen OCXO erworben, der auf einer nackten Platine kam. Für den täglichen praktischen Einsatz, braucht er noch eine Stromversorgung, eine Ausgangsstufe mit Frequenzfilter und ein Gehäuse. Um diesen Aufbau geht es hier.
zurück nach oben

Gehäuse
Aus der Zeit der analogen Modems habe ich ein ELSA-Modem aufgehoben. Es hat nämlich ein schönes Gehäuse, das ich einem neuen Zweck zuführen wollte. Nun ist seine Zeit gekommen. Es ist ein extrudiertes Alu-Gehäuse, in das man eine einzelne Platine der Maße 10cm x 12cm einschieben kann. Front und Rückseite werden mit Plastikrahmen aufgeklipst.

Ich verwende das Alu-Gehäuse sowie die beiden Plastikrahmen für Front- und Rückseite. Die Front- und Rückplatten drucke ich neu (3D-Drucker). Den OCXO mit allen neuen Schaltungen plaziere ich auf einer Platine, die den Platz der alten Modem-Platine einnimmt.

zurück nach oben


Spannungsversorgung

Der OCXO brauch etwa 8V mit bis zu 500mA. Der Ausgangsverstärker braucht aber noch eine zusätzliche negative Spannung. (Es gäbe andere Lösungen, aber das hier ist meine.) Deshalb habe ich mich für eine Speisung mit 9V AC entschieden, aus der ich mit zwei Einweggleichrichtungen eine positive und eine negative Spannung erzeuge.

Wird eine Einweggleichrichtung mit einem hohen Strom belastet, dann hat sie eine große 100Hz-Welligkeit. Damit hinter dem Spannungsregler diese Welligkeit verschwunden ist, darf die Spannung an C1 auch bei bei einer Belastung mit 500mA nie unter 10,5V fällt. Dafür ist ein recht großer ELKO mit 4700uF erforderlich. Der passt nur in liegender Bauform in das Gehäuse.

Beide Spannungsregler (7808, 7905) haben Kühlkörper. Für den 7808 ist das wichtig, da er in der Aufwärmphase (die ersten 2 Minuten nach dem Einschalten) etwa 2W und danach dauerhaft etwa 1 W an Hitze abgeben muss.
Der 7905 muss auf seinem Kühlkörper isoliert montiert werden, da seine Kühlfahne nicht auf Masse (GND) liegt.

Die grüne LED D3 leuchtet, sobald die positive Spannung vorhanden ist.

Die 9 VAC kommen von einem externen Steckernetzteil für 9VAC und mindestens 500mA.
Stromlaufplan



10-MHz-Ausgangsstufe
Das Ausgangssignal des OCXO muss verstärkt und mit einem 10-MHz-Bandpass "gereinigt" werden. Für viele OPVs sind 10 MHz schon zu viel, weshalb hier ein LM6181 mit sehr hoher Bandbreite eingesetzt ist.

Ein 10cm langes Kabel mit SMA-Steckern bringt das Signal vom OCXO zur Buchse J2 auf der Grundplatine.

R6 verhindert, das die Spannung am nicht-invertierenden OPV-Eingang wegläuft. Mit R2 wurde die Verstärkung eingestellt.

Der anschließende Filter ist ein Bandpassfilter, der grob auf 10 MHz abgestimmt ist. Der Einsatz von Folienkondensatoren für eine ausreichende Stabilität ist empfohlen. Für L3 habe ich eine Luftspule aus 6 Windungen isolierten Basteldrahts eng nebeneinander mit 6mm Durchmesser gewickelt.
Schaltung



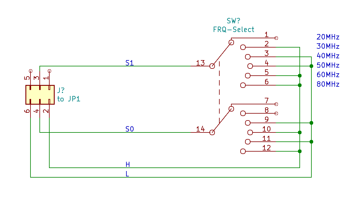
Frequenzvervielfacher
Um den Frequenzvervielfacher zu nutzen, muss die Frequenzfaktoreinstellung an der Frontplatte erfolgen können. Bisher erfolgte diese mit zwei Jumpern auf einer 6-poligen Stiftleiste der OCXO-Platine.

Ein 6-Stufen-Schalter mit zwei Ebenen wird an der Frontplatte montiert, und per 15cm langem Kabel mit der 6-poligen Stiftleiste verbunden, von der die Jumper entfernt wurden. Die Verschaltung ist rechts dargestellt Von den 8 Möglichen Ausgangsfrequenzen lassen sich damit diejenigen 6 einstellen, die geradzahlige Vielfache darstellen.

Ein kurzes Kabel mit SMA-Verbindern bringt das Signal dann zur Frontplatte. Ein gewinkelter SMA-Stecker wird an die OCXO-Platine geschraubt, und eine SMA-Buchse in der Frontplatte verklebt. Das Kabel ist 10cm lang.



Die Nutzung eines SMA-Buchse an der Frontplatte war eigentlich eine dumme Idee. Das Signal hat TTL-Pegel und ist somit nicht gleichspannungsfrei. SMA wird aber in meinem Labor normalerweise für gleichspannungsfreie HF-Signale verwendet.  Ich habe die Buchse deshalb mit einem Warnaufkleber versehen, damit ich sie nicht versehentlich z.B. mit dem Eingang eines Spekrumanalysators verbinde, und diesen damit beschädige.
Schaltplan



Platine


In das Gehäuse passt eine 10cm x 12 cm große Platine. Auf diese kommen die Stromversorgung, der OCXO sowie der Ausgangsverstärker mit dem Filter. Außerdem sitzt dort die BNC-Buchse für das 10MHz-Ausgangssignal und eine Schraubklemme für die AC-Spannungsversorgung.

Die Grafik zeigt den Aufbau. Links ist die Gehäuserückseite und rechts die Frontseite. Unten links ist der Montageplatz für den OCXO, der mit vier M3-Schrauben und 3mm langen Abstandsstücken befestigt wird.

Darüber liegt die Stromversorgung. Die Spannungsregler sitzen auf Kühlkörpern. Der Regler für die negative Spannung muss elektrisch vom Kühlkörper isoliert montiert werden. Der Kondensator C1 ist eine liegende Ausführung, da ein stehender Typ für das Gehäuse zu hoch wäre. Die linke grüne Schraubklemme ist die Einspeisung für 9VAC. Die andere grüne Klemme ist der 8VDC-Ausgang. Sie wird mit Draht mit dem DC-Eingang des OCXO verbunden.

Unten rechts liegt der Verstärker (untere Platinenseite), der Bandpassfilter und der BNC-Ausgang (fehlt im Bild).

Der Ausschnitt in der oberen rechten Ecke ist für den Frequenzwahlschalter erforderlich. Dieser sitzt an der Frontplatte und ist an dieser Festgeschraubt.
Ansicht der
                Platine

zurück nach oben




Front- und Rückseite


Das Gehäuse hatte im Original Front- und Rückplatten aus Aluminium, die mit Plastikrahmen einfach auf das Gehäuse geklips werden. Diese ersetze ich durch 3D-gedruckte Platten.
Die Abbildung zeigt oben die Rückplatte  und unten die Frontplatte. Beide Platten sind hier von der Gehäuseinnenseite her dargestellt.

Die Rückseite enthält lediglich eine rechteckige Aussparung für das 9V-AC-Stromkabel. Direkt hinter der Aussparung befindet sich auf der Platine die Schraubklemme für diese Versorgungsspannung. Eine Zugentlastung habe ich noch nicht.

Darunter ist die Frontplatte dargestellt.
Die beiden linken Löcher dienen der Befestigung des 6-Stufen-Schalters. In das kleine Loch kommt der Index-Pin, der ein Verdrehen verhindert. Im großen Loch wird der Schalter mit Zahnring und Mutter festgeschraubt.

Das Loch mit der sechseckigen Führung dient der Aufnahme einer SMA-Buchse. Diese Buchsen haben im hintere Teil eine sechseckige Form, die genau in die Frontplatte passt. Das verhindert ein Verdrehen der Buchse beim An- und Abschrauben von Kabeln. Der Vorderteil meiner Buchse war nicht lang genug, um sie mit einer Mutter an der Frontplatte zu verschrauben. Deshalb habe ich sie mit Heißkleber in der sechseckigen Buchse verklebt.

Das kleine Loch rechts der SMA-Buchse ist für die grüne LED, die anzeigt, dass der OCXO eingeschaltet ist.

Das ganz rechte Loch ist für die BNC-Buchse (10 MHz Ausgang). Um das Loch herum ist das Material etwas aufgepolstert, wodurch ein exakter Sitz garantiert ist. Die Buchse ist auf der Platine verlötet, und wird auch an der Frontplatte mit Zahnscheibe und Mutter festgeschraubt.
Front- und Rückplatte

zurück nach oben



Montage


Vom alten Modem werden die Front- und Rückenrahmen abgeklipst. Frontplatte und Rückenplatte werden entsorgt.
Die Modemplatine wird herausgezogen und entsorgt. (Modem zerlegt)

Die neue Platine wird bestückt. Der liegende ELKO wird zusätzlich mit einem Kabelbinder fixiert. Der 7905 wird auf dem Kühlkörper isoliert montiert.

Der OCXO wird mit M3-Schrauben und kurzen Abstandshaltern (3mm) auf der Platine verschraubt. Der 8V-Ausgang der Platine wird mit dem 7...9V-Eingang des OCXO  mit Draht verbunden. (beides sind Schraubklemmen)

Der Drehschalter für die Frequenzwahl wird verdrahtet, und mit einem 15cm langen Kabel (zwischen Schalter und Steckverbinder/Jumperfeld) versehen. Der Schalter wird in der Frontplatte verschraubt

Die Frontplatte wird so an die Platine gesetzt, dass man die BNC-Buchse mit ihr verschrauben kann. Das tut man dann auch.

Zwei 10..12cm lange RG-316 oder RG-174 Kabel werden zugeschnitten, und an einem Ende je ein abgewinkelter SMA-Stecker angecrimpt. 
Das zweite Ende des ersten Kabels bekommt einen geraden SMA-Stecker. Damit wird der obere Ausgang des OCXO mit der SMA-Buchse auf der Grundplatine verbunden (10 MHz).
Das zweite Ende des zweiten Kabels bekommt eine SMA-Buchse. Diese wird an der Frontplatte befestigt (z.B. Heißkleber), das andere Ende kommt an den unteren Ausgang des OCXO. (20 ... 80 MHz).

Vom OCXO werden die beiden Jumper entfernt, und das Kabel des Drehschalters  auf das Jumperfeld gesteckt.

Das 9V AC Anschlusskabel (von einem geeigneten Steckernetzteil) wird durch den Klemmrahmen der Rückwand, die Aussparung in der Rückwand und das Alu-Gehäuse geführt und mit der Schraubklemme an der Platine verschraubt. Zeit für einen Funktionstest. (sieht jetzt so aus)

Funktioniert alles, dann schiebt man die Platine in das Gehäuse und klemmt Front und Rückwand mit den entsprechenden Rahmen fest.

Fertig.
Front- und Rückplatte

zurück nach oben



Fazit
Alles funktioniert wie erwartet. Es fehlen noch Beschriftungen. Der SMA-Ausgang (20 ... 80 MHz) bekam eine Warnbeschriftung, da er nicht DC-frei ist.
zurück nach oben

zurück zu Elektronik , Frequenznormal , Homepage
Autor: sprut
erstellt: 12.02.2021
letzte Änderung: 13.02.2021