| Ein universeller 7-stelliger Frequenzzähler von 1 Hz
bis 1 GHz Für den Elektronikbastler ist ein Frequenzmesser ein wichtiges Messgerät. Hier wird eine einfache und preiswerte Lösung vorgeschlagen. Technische
Daten |
![]() |
|
Grundmerkmale
|
![]() - HEX-File und
ASM-File |
Die Schaltung ist eine Kombination des 50
MHz-Frequenzzählers und des 1-GHz-Frequenzzählers,
der um einen zusätzlichen Eingang mit einem Vorverstärker ergänzt
wurde. Während die anderen Frequenzzähler eigentlich nur
Experimente waren, wollte ich nun ein fertiges, praxistaugliches
Gerät für meinen Bastelkeller fertigen.
Da der Messfehler der Frequenzzählung unterhalb von 6,4 kHz recht
groß wird, schalte ich dann in eine Periodenmessung um, die bei
niedrigen Frequenzen deutlich kleinere Messfehler hat.
Das Gerät hat drei Frequenzeingänge für jeweils unterschiedliche
Anwendungen. Es wird jeweils 1 Eingang durch Reed-Relais zum PIC
zugeschaltet. Die Auswahl erfolgt durch einen Taster. Nach einem
Tastendruck (ca. 1/2 Sekunde lang) wird zum nächsten Eingang
umgeschaltet. Der jeweils aktive Eingang wird durch eine LED
markiert.
Eingang 1: Amp
Das ist ein universeller Eingang für Frequenzen von 2,5 Hz bis 50
MHz mit Amplituden ab 70 mVpp. Niedrigere Frequenzen werden
nur bei höherer Amplitude korrekt gemessen. Für 1 Hz sind etwa 100
mVpp nötig, für 0,6 Hz sind es dann 150 mVpp. Das Signal wird
zunächst mit FETs verstärkt und dann einem schnellen Komparator
zugeführt. Dessen Schaltschwelle kann mit einem Potentiometer
passend eingestellt werden. Den korrekten Pegel des Schaltschwelle
kann man mit Hilfe zweier LEDs überwachen (siehe Signalanzeige).
Bis 50MHz arbeitet der Eingang sicher. Man kann ihn zwar auch bis
ca. 70 MHz verwenden, aber dann wird die Einstellung der
Schaltschwelle schwierig und der LT1016 kommt auch an seine
Grenzen.
Eingang 2: TTL
Das ist ein Eingang für TTL-Impulse. Es können aber auch größere
Eingangspegel angelegt werden. Ein Vorwiderstand und Schutzdioden
leiten zu hohe und negative Spannungen ab. Der Eingang hat
Schmitt-Trigger-Eigenschaften . Der High-Pegel muss +4V
überschreiten und der Low-Pegel +1V unterschreiten. Der
Eingangspegel sollte 44 V nicht überschreiten. Das weicht zwar von
der TTL-Spezifikation etwas ab, sollte aber in der Praxis keine
Probleme bereiten. Der Eingang hat einen internen
pull-up-Widerstand von ca. 25 kOhm, um ein Schwingen bei offenem
Eingang zu verhindern. Die Signalquelle sollte also einen
Ausgangswiderstand von deutlich weniger als 5 kOhm haben, um einen
sauberen low-Pegel (< 1 V) erzeugen zu können.
Der Frequenzbereich geht von ca. 0,7 Hz bis 50 MHz, ist aber in
der Software im Normalbetrieb auf 5 Hz Minimalfrequenz limitiert.
Für tiefere Frequenzen muss man den Präzisionsmode
aktivieren.
Neben der BNC-Buchse gibt es noch eine 3-polige Buchsenleiste, die
man alternativ verwenden kann. Da hier auch 5 VDC-Betriebsspannung
mitgeliefert wird, kann man z.B. zusätzliche Messfühler für diesen
Anschluss entwickeln. Denkbar wären z.B. Vorteilertastköpfe.
Eingang 3: 64:1 oder 40:1
Dieser Eingang hat den HF-Vorteiler mit U664, der auch im 1-GHz-Zähler verwendet wird. Es eignet
sich die SIL-Version des U664 oder der U813BS
SI für 1,15 Euro (Dezember 2015). Beide Chips lassen sich in
der Schaltung ohne weitere Anpassungenn verwenden. Seine
Eingangsempfindlichkeit ist etwa 10 mV. Der Eingangspegel sollte
9V nicht überschreiten.
Es fällt auf, dass der U664B /U813 bei zu geringer
Eingangsfrequenz auf ein kleineres Teilungsverhältnis
'umschaltet'. Bei 10 MHz teilte er nur im Verhältnis 4:1, bei 20
MHz im Verhältnis 8:1. Bei 50 MHz funktionierte er dagegen
korrekt (64:1). Um Fehlmessungen zu vermeiden, sollte
sichergestellt sein, dass man eine ausreichend hohe
Eingangsfrequenz (wenigstens 30 MHz) hat.
Anstelle eines 64:1-Vorteilers kann auch ein 40:1-Vorteiler (z.B. MC12080)
verwendet werden. In diesem Falle ist das Pin 4 (MCLR) des
PIC16F628 mit Masse (Vcc) zu verbinden und R6 zu entfernen. Der
Mikrocontroller berücksichtigt dann das andere Vorteilerverhältnis
automatisch in seinen Berechnungen. Natürlich muss man für so
einen nicht-pinkompatiblen Chip das Platinenlayout anpassen.
Die erreichbare höchste Frequenz hängt vom Aufbau der Teilerstufe
und vor allem von der Dimensionierung des Pegelwandlers um Q2 ab.
Ca. 700 MHz sind eigentlich problemlos erreichbar. Darüber hinaus
wird die Luft aber dünner. Mit einem BF324 als Q2 und 220 Ohm für
R12 erreiche ich 1GHz mit einer Empfindlichkeit von -6dBm.
(Nimmt man kleinere Werte für R12, dann sinkt ab 600 MHz der obere
Pegel des Signals zu sehr ab. Nimmt man einen Transistor mit
schlechterer Grenzfrequenz, dann ist der untere Pegel des Signals
zu hoch für den folgenden PIC16F628.)
Signalanzeige
Der Schmitt-Trigger-IC IC3 treibt die beiden LEDS DZ1-1 und DZ1-2.
Die Pegel an den beiden LEDs sind genau entgegengesetzt, so dass
immer nur eine der beiden LEDs leuchtet. Bei Eingangsfrequenzen
von mehr als 10 Hz scheinen dann beide LEDs zu leuchten.
Dadurch lässt sich leicht erkennen, ob ein Eingangssignal am
Zähler anliegt (beide LEDs leuchten oder flackern) oder nicht (nur
eine LED leuchtet). Das vereinfacht auch die Einstellung der
Schwelle des Vorverstärkers (Amp) mit Hilfe des Potentiometers.
Bei Linksanschlag des Potis leuchtet eine LED und bei
Rechtsanschlag die andere. Durch Verdrehen sucht man den Punkt, wo
beide LEDs in etwa gleich hell zu leuchten scheinen.
LCD-Display
Das Programm wurde für ein 2-zeiliges DotMatrix-Display mit 16
Zeichen pro Zeile geschrieben. Alle Displays mit dem
Hitachi-Controllerchip HD44780 funktionieren ähnlich, so dass die
Nutzung eines größeren zweizeiligen Displays (z.B. 2x20)
problemlos möglich ist.
Das Display muss aber ein Typ für den normalen
Temperaturbereich (nur von 0°C bis 50°C) sein, da der
Frequenzmesser keine negative Kontrastspannung bereitstellt.
Präzisionstaktquelle (optional)
Der Takt für den PIC bestimmt die Genauigkeit der Frequenzmessung.
Im einfachsten Fall stammt dieser aus dem 20MHz-Quarz Q1 mit den
Kondensatoren C10, C20 und C15. Mit dem Trimmer C10 lässt sich die
Quarzfrequenz etwas korrigieren. Allerdings ist weder die
Genauigkeit noch die Stabilität eines Quarzes gut genug, um der
Auflösung dieses Frequenzzählers gerecht zu werden. Deshalb gibt
es eine Zusatzplatine
mit einem TCXO und einem Eingang für eine externe 10-MHz
Referenzfrequenz. Wer diese benutzen will, lässt dafür Q1, C10,
C20, C15 weg, und verbindet die Präzisionstaktquellemit dem
Stecker SV4 (Pinbelegung beachten).
Stromversorgung
Ich verwende ein einfaches Steckernetzteil, das AC oder DC im
Bereich von 9..12 V liefert. Die Schaltung nimmt etwa 140 mA auf.
Die vom 7805-Spannunngsregeler abzuführende Wärme steigt mit dem
Pegel der Eingangsspannung an. Eine unnötig hohe Speisespannung
sollte deshalb vermieden werden. Deshalb wird die externe
Betriebsspannung von 9V..12V AC gleichgerichtet und gesiebt.
Danach folgt eine zweistufige Spannungsregelung mit 7805.
Es ist prinzipiell möglich, anstelle von 9 ... 12 V AC auch 9 ...
12V DC einzuspeisen.
Großverbraucher ist der U664, der etwa 50 mA aufnimmt. Dann folgt
das Relais , das etwa 10 mA benötigt. PIC, Display (ohne
Beleuchtung) und LEDs kommen noch einmal zusammen auf 10 mA. Falls
das Display beleuchtet ist, fallen dafür noch einmal etwa 70 mA
an. Das addiert sich zu etwa 140 mA auf der 5V-Leitung. Der 7805
muss also etwa 1 W in Wärme umwandeln. Das erfordert einen
Aufsteckkühlkörper.
Falls die optionale Präzisionstaktquelle (Frequenzvervielfacher)
eingesetzt wird, müssen auch dessen 60mA auf der 5V-Leitung mit
berücksichtigt werden.
Die Umschaltung zwischen den Eingängen erfolgt durch kurzes (<1s) Drücken des Tasters. Die Umschaltung erkennt man am Umschalten der LEDs (die den jeweils aktiven Eingang markieren) wie auch am LCD. Am Anfang der 2. LCD-Zeile wird der jeweils aktive Eingang angezeigt:
In der rechten Hälfte der 2. LCD-Zeile wird die Anzeigegenauigkeit angegeben. Da die Anzeige bis zu 10 Stellen lang sein kann, die eigentliche Messung aber maximal 7 Stellen genau ist, dient dieser Wert der Abschätzung der Genauigkeit der angezeigten Messwerte.
Frequenzen
über 6,3 kHz werden mit der Frequenzzählmethode gemessen,
Frequenzen darunter mit der Periodenlängenmessung.
Der Messwert wird etwa alle 500 ms aktualisiert.
Die LEDs DZ1-1 und DZ1-2 zeigen den normalen und den inversen
Pegel des Messeingangs an. Bei Eingangsfrequenzen von mindestens
mehreren 10 Hz sollten scheinbar beide LEDs leuchten solange ein
Messignal anliegt. Bei einem Messsignal niedrigerer Frequenz
blinken beide LEDs abwechselnd. Bei Benutzung des Amp-Eingangs ist
das Potentiometer so einzustellen, dass beide LEDs leuchten oder
blinken. Dann stimmt die Schaltschwelle am Komparator des
Vorverstärkers.
Präzisionsmode-2s:
Wird der Taster länger als 1 Sekunden gedrückt, dann wird nicht
der Eingang umgeschaltet, sondern der Präzisionsmode-2s
eingeschaltet. Das erkennt man am zweifachen Flackern der
Eingangs-LED.
Im Präzisionsmode-2s ist die Messgenauigkeit der
Frequenzzählmethode (>6,3 kHz) vier mal höher als im
Standardmode. Allerdings wird dadurch der Messwert auch nur etwa
alle 2 Sekunden aktualisiert. Die Genauigkeit der
Periodenlängenmessung erhöht sich im Präzisionsmode nicht, aber es
können dann auch extrem niedrige Frequenzen bis hinab zu 0,6 Hz
gemessen werden. (Im Normalmode nur hinab bis 4,8 Hz.)
Um den aktiven Präzisionsmode-2s zu kennzeichnen, wird dem
Messwert im Display ein '*' vorangestellt.
Präzisionsmode-4s:
Wird der Taster länger als 2 Sekunden gedrückt, dann wird in einen
Präzisionsmode-4s mit noch einmal verdoppelter
Frequenzzählgenauigkeit geschaltet. Das erkennt man dann am
vierfachen Flackern der Eingangs-LED. Allerdings wird dadurch der
Messwert auch nur etwa alle 4 Sekunden aktualisiert. Die
Periodenlängenmessung entspricht der vom Präzisionsmode-2s.
Um den aktiven Präzisionsmode-4s zu kennzeichnen, wird dem
Messwert im Display ein '#' vorangestellt.
Für die meisten Frequenzen eignet sich das Prinzip des
Frequenzzählers am besten. Da die Messauflösung (im Normalmode)
aber nur 2 Hz beträgt, ist bei niedrigen Frequenzen der Fehler der
Messung recht hoch. Ab 200 Hz liegt der Fehler unter 1%. Ab 4 MHz
liegt der Anzeigefehler bei unter 0,00005%. Die Messgenauigkeit
wird dann von der Quarzgenauigkeit begrenzt.
Um auch bei niedrigen Frequenzen eine bessere Auflösung zu
erreichen, wird unterhalb von 6,4 kHz eine Periodenlängenmessung
durchgeführt. Deren Messfehler liegt bei 6,3 kHz bei 315 ppm
(0,0315 %) und sinkt mit der Frequenz drastisch.
Theorie der Zähl-Frequenzmessung
Die Grundlagen der Zähl-Frequenzmessung mit dieser Schaltung
wurden bereits im Zusammenhang mit dem 50-MHz-Frequenzzähler
und dem 1-GHz-Frequenzzähler
erläutert.
Prinzipbedingt steigt die Messgenauigkeit mit der Frequenz. Bei
einem kalibrierten Zähl-Frequenzmesser liegt er ab 100 kHz unter
20 ppm (0,002 %).
Bei nur 10 kHz liegt der Fahler bei 200 ppm (0,02%), was oft noch
ausreichend ist.
Für Frequenzen unter 200 Hz läge der Fehler im %-Bereich, das wäre
nicht akzeptabel.

Alternative für tiefe Frequenzen: Periodenlängenmessung
Ein Frequenzmesser nach obigem Prinzip, arbeitet nur bei hohen
Frequenzen genau. Für Frequenzen unterhalb von 6,4 kHz bietet sich
alternativ die Periodenlängenmessung an. Dafür wird aber ein
CCP-Kanal benötigt. Der PIC16F628
hat den nötigen CCP-Kanal, und eignet sich deshalb für die
Periodenlängenmessung.
Es wird die Dauer einer Schwingung der unbekannten Eingangsfrequenz gemessen. Dazu betreibt man das CCP-Module im Capture-Mode und lässt man den Timer1 einen Takt von 5 MHz (1/4 des PIC-Taktes) zählen. Wird am Eingang ein low-high-Übergang festgestellt, wird der Timer1 auf 0 gesetzt. Das Capture-Module ist so eingestellt, dass es bei jedem 4. low-high-Übergang den Stand des Timers1 in das Capture-Register kopiert. Damit steht im Capture-Register die Anzahl der Timer1-Takte, die der Länge von 4 Perioden der unbekannten Eingangsfrequenz entsprechen.
Da der Timer1 nur 16-bittig ist, würde er schon nach ca. 13 ms
überlaufen, und die niedrigste messbare Frequenz wäre 305 Hz.
Werden aber die Timer1-Überläufe in einem 9-Bit-Register
mitgezählt, dann hat man einen 25-Bit Zähler, der erst nach 6,7
Sekunden überläuft. Damit lassen sich Frequenzen bis hinab zu 0,6
Hz messen. Die Gesamtlänge der 4 Perioden wird mit 0,2 µs
Genauigkeit gemessen. Folglich wird eine Periode mit 0,05 µs
Genauigkeit gemessen.
Für eine Eingangsfrequenz von 2 Hz ergibt sich die illusorische
Genauigkeit von 0,1 ppm. Der Quarzfehler ist also hier das Limit
(>10 ppm). Der prinzipielle Messfehler ist aber proportional
zur Frequenz. Mit steigender Frequenz sinkt die Genauigkeit:
![]() |
Bis ca. 6,3 kHz ist die Periodenlängenmessung der Frequenzzählmethode also überlegen, darüber kehrt sich das Blatt um. |
Um aus dem Messergebnis die Frequenz zu errechnen, geht man wie folgt vor
Ich verwende eine primitive Ganzzahldivision (mit Rest) um
zunächst den ganzzahligen Frequenzwert zu erhalten. Den Rest der
Division multipliziere ich mit 1000 und dividiere ihn dann noch
einmal durch den Messwert. Damit erhalte ich drei
Nachkommastellen.
Liegt die Eingangsfrequenz unter 64 Hz, dann wird auch der Rest
der zweiten Division mit 1000 multipliziert und das
Multiplikationsergebnis noch mal durch den Messwert dividiert. Das
ergibt zusätzliche 3 Nachkommastellen, so dass die Frequenz dann
mit zwei Vorkommastellen und 6 Nachkommastellen angezeigt wird.
Das übertrifft in jedem Fall die Messgenauigkeit.
| Signal |
Vss |
Vdd |
Vo |
RS |
R/W |
E |
D4 |
D5 |
D6 |
D7 |
| Pin an SV1 |
1 |
2 |
3 |
4 |
5 |
6 |
7 |
8 |
9 |
10 |
| Pin am Display |
1 |
2 |
3 |
4 |
5 |
6 |
11 |
12 |
13 |
14 |
Das Platinenlayout ist einseitig, und hat das Format 75 mm x 100 mm. Es ist eine Drahtbrücke nötig, die auf der Bestückungsseite anzubringen ist.
Die Stromversorgungseingangsbuchse X1 ist nicht nötig, es können
natürlich Drähte direkt an JP1 angelötet werden.
Für den Kondensator C15 ist ein hochwertiger, temperaturstabiler
Typ zu verwenden. Bei mir hat sich ein Glimmer-Kondensator
(Reichelt: CY 22-2 33P) bewährt.
Als Relais müssen 5V-Typen mit mindestens 500 Ohm
Spulenwiderstand und mit interner Diode verwendet werden.
(Reichelt "SIL 7271-DHR 5V") Relais mit niedrigerem
Innenwiderstand sind nicht geeignet.
Die an LSP9 ... LSP14 anzuschließenden Frontplatten-LEDs sind
low-current-Typen. Diese sind oberhalb der Messbuchsen zu
montieren.
An LSP8 & LSP7 ist ein Drucktaster anzubringen.
Vorsicht: Der 10-Pin-Display-Anschluss auf der Platine kann nicht
1:1 mit dem Display verbunden werden. Die Pins 7,8,9,10 sind mit
den Display-Pins 11,12,13,14 zu verbinden. Am Display bleiben die
Pins 7,8,9,10 frei.
Platine anfertigen und bestücken mit Ausnahme folgender Teile:
- Schaltkreis PIC16F628 (IC1)
- Display noch nicht anschließen
- Widerstand R12 220 Ohm
- Transistor Q2
- Anstelle des 20 MHz-Quarzes wird vorübergehend ein 10 MHz-Quarz
eingelötet.
Für den PIC16F628 ist eine IC-Fassung einzulöten.
Den Stromversorgungseingang X1 (oder JP1) mit AC oder DC mit einer Spannung von 9 .. 12 V verbinden. Die Spannung am out-Pin des 7805 muss nun 5V betragen. Abweichungen sollten kleiner als 5% sein. Die Betriebsspannung entfernen.
Das LCD-Display mit einem Kabel anstecken. Die Betriebsspannung wieder anlegen. Den Kontrastregler R9 (10k) so einstellen, das im Display deutlich dunkle Vierecke zu erkennen sind. Die Betriebsspannung entfernen.
Nun den PIC16F628 in die IC-Fassung stecken. Die Frontplatten-LEDs und LSP9 ... LSP14 und den Taster an LSP7&LSP8 anschließen.
Die Betriebsspannung wieder anlegen.
Die LED 1 leuchtet auf.
Das LCD zeigt kurz "HALLO".
Danach zeigt es "0 Hz / Amp. + 2 Hz", wobei hier der
Schrägstrich den Beginn der 2. Displayzeile symbolisiert.
Im 2-Hz-Rhythmus wechselt das "+" in der 2. Zeile mit einem "-", das
sieht dann aus wie ein "+" mit etwas blassem vertikalen Strich,
da das träge LCD-Display nicht mit 2 Hz schalten kann.
Den Taster drücken bis LED 1 verlischt und LED 2 aufleuchtet (ca.
0,5 s lang).
Das LCD zeigt "0 Hz / TTL + 2 Hz". Im 2-Hz-Rhythmus wechselt
das "+" in der 2. Zeile mit einem "-".
Den Taster drücken bis LED 2 verlischt und LED 3 aufleuchtet (ca.
0,5 s lang).
Das LCD zeigt "0 Hz / 64:1 + 128 Hz". Im 2-Hz-Rhythmus
wechselt das "+" in der 2. Zeile mit einem "-".
Die Betriebsspannung entfernen.
Den Transistor BC328 (Q2) und den Widerstand R12 220 Ohm noch
nicht einlöten.
Um die Funktionstüchtigkeit des fertig aufgebauten
Frequenzzählers zu prüfen, lässt man ihn seine eigene
Quarzfrequenz messen.
++HINWEIS++
Für diesen Funktionstest muss der
20 MHz-Quarz vorübergehend gegen einen 10 MHz Quarz ausgetauscht
werden. Nach Abschluss des Funktionstests muss dann vor der
Kalibrierung wieder der 20 MHz Quarz eingelötet werden.
Die Betriebsspannung wieder anlegen. LED 1 leuchtet auf.
Den Eingang Amp mit dem Taktausgang des PIC OSC2
(Pin 15) verbinden.
Das LCD zeigt "20 000 000 Hz / Amp. + 16 Hz". Im
2-Hz-Rhythmus wechselt das "+" in der 2. Zeile mit einem "-".
Den Eingang 1 vom Pin 15 des PIC trennen.
Den Taster drücken bis LED 1 verlischt und LED 2 aufleuchtet (ca.
0,5 s lang).
Den Eingang TTL mit dem Taktausgang des PIC OSC2
(Pin 15) verbinden.
Das LCD zeigt "20 000 000 Hz / TTL + 16 Hz". Im
2-Hz-Rhythmus wechselt das "+" in der 2. Zeile mit einem "-".
Den Eingang 2 vom Pin 15 des PIC trennen.
Den Taster drücken bis LED 2 verlischt und LED 3 aufleuchtet (ca.
0,5 s lang).
Pin 1 des Relais K2 (oder Pin 3 des PIC) mit dem Taktausgang des
PIC OSC2 (Pin 15) verbinden.
Das LCD zeigt "1 280 000 000 Hz /64:1 + 1024 Hz". Im
2-Hz-Rhythmus wechselt das "+" in der 2. Zeile mit einem "-".
Das Relais-Pin (bzw. Pin 3 des PIC) vom Pin 15 des PIC trennen.
Die Betriebsspannung entfernen.
Den Transistor BC328 (Q2) und den Widerstand R12 220 Ohm
einlöten.
Den 10 MHz-Quarz entfernen und an seiner Stelle den 20 MHz-Quarz einlöten. Soll die Präzisionstaktquelle verwendet werden, dann werden der Quarz sowie C10, C209, C15 entfernt, und die Präzisionstaktquelle an SV4 angeschlossen.
Damit ist die Funktionsfähigkeit des Frequenzzählers (ohne 64:1-Vorteiler) erwiesen. Zum Test des Vorteilers benötigt man eine Frequenz von mindestens 50 MHz (z.B. Quarzoszillator), die zur Messung mit dem Eingang des Vorteilers verbunden wird. Die angezeigte Frequenz kann dabei um 0,005% von der wirklichen Eingangsfrequenz abweichen, solange der Frequenzzähler nicht kalibriert ist.
Wird die Präzisionstaktquelle
verwendet, dann ist keine weitere Kalibrierung erforderlich. Der
Fehler des TCXO liegt typischerweise bei höchstens 2 Hz, was
0,00002% entspricht. Damit ist der Messfehler kleiner als die
Auflösung des Gerätes. Bei Einspeisung einer externen
10-MHz-Referenzfrequenz, bestimmt deren Genauigkeit die
Genauigkeit des Frequenzzählers.
Wer aber einen Quarz benutzt kann hier weiterlesen:
Ohne Kalibrierung erreicht der Zähler mit einem Quarz eine
Genauigkeit von ca 0,005%. Die Frequenzabweichungen werden durch
eine Abweichung der Quarzfrequenz von den gewünschten 20 MHz
verursacht (ohne spezielle Maßnahmen ca. 50 ppm). Sinnvoll wäre
der Einsatz eines TCXO (temperature compensated crystal
oscillator) oder TCVXCO (temperature compensated voltage
controlled crystal oscillator) anstelle eines einfachen Quarzes.
Diese sind aber in den typischen Bastlerläden (noch) nicht
erhältlich. Deshalb werden sich viele mit einem Quarz begnügen.
Der Quarz muss mit dem Trimmkondensatoren C10 und C20 abgeglichen
("gezogen") werden. Dabei dient C20 der Grobeinstellung und C10
dann der Feineinstellung. Ohne Abgleich wäre der angezeigte
Frequenzwert etwa 0,005% ungenau. Wichtig ist auch, dass für C15
ein Typ mit geringer Temperaturabhängigkeit gewählt wird.
Keramische Typen (auch wenn es einige geeignete Varianten gibt)
sollte man meiden, und eher einen Glimmerkondensator oder einen
Folienkondensator verwenden.
Ich stelle hier vier mögliche Kalibrierverfahren vor:
Variante 1: mit Referenzfrequenzquelle
Wer das Glück hat, auf eine Referenzfrequenzquelle (z.B.
kalibrierter Oszillator) mit einer Frequenz zwischen 2 MHz
und 50 MHz zugreifen zu können, kann diese Methode benutzen.
Der Frequenzzähler wird an die Referenzfrequenzquelle
angeschlossen und in den Präzisionsmode4s geschaltet. Durch
Verstellen des Trimm-Kondensators wird die angezeigte Frequenz der
Referenzfrequenz angeglichen. Die Referenzfrequenz sollte
mindestens 2 MHz betragen, damit der Messfehler nicht durch die
Anzeigeungenauigkeit kaschiert wird. Andererseits sollte die
Frequenz nicht über 50 MHz liegen, und man sollte den Eingang Amp
bzw. Eingang TTL benutzen.
Der zulässige Anzeigefehler ist je nach Messbereich 1 Hz (bei f < 16 MHz) bis 4 Hz (bei f > 32 MHz) und wird in der 2. LCD-Zeile angegeben.
Danach sollte der Messfehler im gesamten Frequenzbereich auf
0,001% (10 ppm) reduziert sein. Höhere Genauigkeiten lassen sich
nur noch mit einem Termostat erreichen, der den Quarz auf einer
konstanten Temperatur hält.
Normale Quarze oder Quarzoszillatoren ohne Kalibrierung eignen
sich nicht als Lieferant für eine Referenzfrequenz, da sie zu
ungenau sind!
Variante 2: die 1 Hz-Methode
Das ist eigentlich eine Version
der Variante 1. Einige GPS-Module besitzen einen hochgenauen
1-Hz-Ausgang. Man verbindet diesen mit dem TTL-Eingang des
Frequenzmessers, und misst die Frequenz. Es ist der
Präzisionsmode2s zu aktivieren. Der Frequenzmesser verwendet die
Pulslängenmethode und zeigt das Messergebnis mit 6
Nachkommastellen an. Die Anzeige wird etwa alle 4 Sekunden
aktualisiert.
Durch Verstellen des
Trimm-Kondensators wird die angezeigte Frequenz der
Referenzfrequenz soweit angeglichen, bis nur noch die vorletzte
Stelle abweicht (0,999 9xx Hz ... 1,000 0xx Hz).
Variante 3: die Uhrenmethode
Wer (wie die Meisten) keine präzise Referenzfrequenz zur
Verfügung hat, kann wie
hier beschrieben vorgehen. Die dazu nötige
Uhrensoftware ist Bestandteil der Frequenzzählersoftware.
Der Frequenzzähler wird bei gedrückter Taste eingeschaltet. Im
Display erscheint die Uhrzeit "00:00:00", und die angezeigte Zeit
fängt an, im Sekundenrythmus zu laufen. Jeder weitere Druck auf
die Taste setzt die Zeit auf "00:00:00" zurück.
Genau zur vollen Stunde (nach der Fernseh-Uhr des analogen
Fernsehens (gibt es leider kaum noch) oder dem Zeitzeichen im
analogen Radio) wird die Null-Taste gedrückt. Die Uhr startet mit
"00:00:00". Nach 24-Stunden wird festgestellt, ob die Uhr mehr als
1 Sekunde vor oder nach geht. Ist das der Fall, wird der
Trimmkondensator verändert, und die Uhr zur vollen Stunde wieder
auf "00:00:00" gesetzt. Eine vergrößerte Kapazität bremst eine zu
schnell laufende Uhr, eine verkleinerte Kapazität beschleunigt
eine zu langsame Uhr. Eine Veränderung des Trimmkondensators um 1
pF bewirkt eine Gangänderung von ca. 0,25 Sekunden pro Tag. Nach
einigen Tagen sollte man eine Trimmerstellung gefunden haben, bei
der die Uhr genau läuft.
(Wer nur noch digitalen Empfang hat, der kann auch auf eine
Funkuhr zurückgreifen. Dann sollte der Abgleich aber mindestens
über zwei Wochen erfolgen, da Funkuhren sich oft nur ein mal in 24
Stunden mit dem Zeitsender abgleichen.)
Ein Gangfehler von 1 Sekunde am Tag entspricht einem
Frequenzfehler von 12 ppm (0,0012%). Eine höhere Genauigkeit ist
ohne Thermostat nicht sicher zu erreichen.
Als ich meinen so kalibrierten Frequenzmesser mit einer
hochgenauen 10-MHz-Referenzfrequenz vergleichen konnte, stellte
ich einen Messfehler von nur 25 Hz fest. Das entspricht <3 ppm.
Nun wird der Frequenzmesser ausgeschaltet und wieder
eingeschaltet, um die Frequenzmesssoftware zu starten.
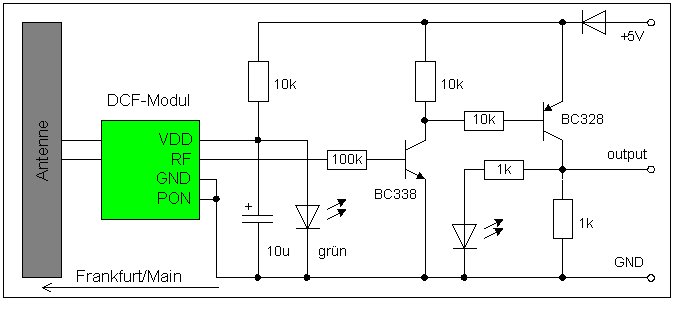
| Variante 4: die
DCF77-Methode Für diese Methode benötigt man ein DCF77-Empfangsmodul aus einem Funkwecker. Sein Ausgangssignal wird auf TTL-Pegel verstärkt und mit der TTL-Eingangsbuchse des Frequenzmessers verbunden. Die positiven Pulse vom Ausgang des DCF-Moduls müssen auch am Ausgang des Verstärkers positive Pulse sein! Die nebenstehende Schaltung zeigt eine solche Taktquelle. Die linke LED dient nur als Z-Diode für die Betriebsspannung des DCF-Moduls (ca. 1,8 V). Die rechte LED sollte im Betrieb im Sekundenrythmus aufblitzen. Die Antenne muss horizontal liegen, und zeigt mit ihrer Breitseite in Richtung Frankfurt/Main. Der Frequenzmesser wird bei gedrückter Taste eingeschaltet, er geht in den Uhrenmode. (siehe Variante 3). Nun drückt man die Taste noch einmal so lange, bis die LED des TTL-Eingangs aufleuchtet (ca. 5 Sekunden lang). Die Uhr bleibt stehen und in der zweiten Displayzeile erscheint "DCF77 wait". In der hinteren Hälfte der ersten Zeile erscheint 'P' mit einer darauf folgenden Nummer, die sekündlich inkrementiert wird. Nach ca. 1 Minute erscheint anstelle der Uhrzeit 'Wait 8min'. Vorab: Aufgrund des Jitters im DCF-Modul-Ausgangssignals ist die Genauigkeit dieser Methode beschränkt, aber sie ist immer noch ausreichend genau und dabei deutlich schneller als die Uhrenmethode. Man sollte während der Kalibrierung auf ein gutes DCF77-Signal achten. Zur Einschätzung der Signalqualität kann man den Pulszähler (hintere Hälfte der ersten LCD-Zeile) heranziehen. Im Idealfall verhält er sich wie die Sekundenanzeige einer Funkuhr und zählt von 0 bis 58. Eine 59 wird nicht angezeigt, sondern in diesem Moment der Messfehler berechnet. Danach geht es wieder mit 0 los. Bei schlechtem DCF77-Signal zählt der Pulszähler deutlich mehr als 58 Pulse. Der Frequenzmesser überwacht das auch, und zeigt hinter dem Fehlerwert am Ende der zweiten Displayzeile ein "#" an, wenn das Signal brauchbar ist. Das DCF-Modul reagiert sehr schlecht auf Leitungen direkt an der Antenne oder in ihrer unmittelbaren Umgebung. Signalführende Leitungen (wie z.B. Netzkabel) dürfen sich auf keinem Fall in der unmittelbaren Nähe der Feritantenne befinden. Die Einstellung erfolgt in 2 Stufen. 1. Stufe: Grobeinstellung Der Frequenzmesser zählt die Pulse des DCF-Moduls. Eine laufende Pulsnummer wird im hinteren Teil der ersten Zeile angezeigt. Der Frequenzmesser wertet nun das DCF77- Signal aus, und vergleicht es mit dem internen Takt des Frequenzmessers. Nach etwa 2 Minuten sollte in der zweiten Zeile des Displays ein Zahlenwert angezeigt werden, der dann alle 60 Sekunden aktualisiert wird. Diese Zahl gibt den momentanen Fehler des Gerätes zuzüglich des DCF-77-Jitters mit einer Auflösung von 0,026 ppm an. Durch vorsichtiges Verstellen des Trimmkondensators in kleinsten Schritten sollte dieser Wert auf weniger als ±1000 (= 25 ppm) eingestellt werden. Eine genauere Einstellung ist aufgrund des Jitters im DCF77-Signal nicht möglich. Durch den Jitter schwankt der Wert von Minute zu Minute durchaus um mehrere Hundert, gelegentlich sogar um 1000. Nach jeder Korrektur muss dann 2 Minuten gewartet werden, bis der angezeigte Fehler wieder aktuell ist. Das Vorzeichen des Fehlers (Am Anfang der zweiten Zeile) hilft bei der Festlegung der Korrekturrichtung am Trimmkondensator. Ist das erledigt, dann geht man zur 2. Stufe über. Sollte der Messwert um mehrere Tausend schwanken, dann ist der Empfang schlecht, und die Kalibrierung kann nicht durchgeführt werden. |
![]() |
Grenzen
Da der Quarz thermisch nicht stabilisiert ist, ändert sich seine
Frequenz mit der Umgebungstemperatur. Schon die minimale Erwärmung
in meinem geschlossenen Gehäuse (durch den Spannungsregler 7805)
führt zu einer Messwertänderung von 1ppm. (10 Hz bei 10 MHz) Das
harmonisiert recht gut mit dem Normalmode des Gerätes. Verwendet
man aber den Präzisionsmode, dann muss
man sich der Tatsache bewusst sein, dass der angezeigte Messfehler
wahrscheinlich durch den Quarz korrumpiert wird.
Mein Gerät benötigt an seinem festen Standplatz etwa 2 Stunden
Aufwärmzeit, um bei 10 MHz mit einen Fehler von 1 Hz (0,1 ppm) zu
arbeiten. Dann führt aber schon der Wechsel des Standortes
innerhalb des Raumes zu einem Fehler von bis zu 1 ppm, da sich
dabei die Temperatur im Gehäuse wieder ändern kann. Einen Fehler
von weniger als 2 ppm halte ich deshalb nicht für sicher
beherrschbar.
Externe
Referenzfrequenz
In vielen Laboren und inzwischen auch in so manchem Bastlerkeller
gibt es eine hochstabile Referenzfrequenz, die per BNC-Kabel an
bedürftige Messgeräte weitergegeben werden kann. Dabei handelt es
sich in der Regel um 10 MHz. Um so eine Referenzfrequenz in diesen
Frequenzmesser einzuspeisen, gibt es eine spezielle Adapterplatine.
Sie wird mit einem möglichst kurzen Kabel mit SV4 verbunden.
| Der Frequenzmesser ist aufgebaut und
funktioniert zufriedenstellend. Das nebenstehende Foto zeigt den Frequenzmesser (oberes
Gerät) angeschlossen an meinen 20-MHz-DDS-Frequenzgenerator.
Dessen Ausgangssignal ist 10 MHz bei 1V p-p. Am
Frequenzmesser benutze ich den Amp-Eingang. Der AMP-Eingang funktioniert bis zu einer Frequenz von
80 MHz mit einem Mindesteingangspegel von -15 dBm. Der 64:1-Eingang funktioniert von 60 MHz bis zu 1,16
GHz. Die Empfindlichkeit schwankt im Bereich von 200MHz
bis 800 MHz zwischen -10 dBm und -13 dBm. Bei 1,1GHz
sind es -4dBm und bei 100MHz ebenfalls -4dBm. Der U664B
allein funktioniert bis etwa 1500MHz. Ein Problem im
Bereich von 200 MHz bis 256 MHz wurde mit der
Firmware-Version 2.4 beseitigt. Mit einem normalen Quarz ist der Fehler auch bei guter
Kalibrierung mindestens 10 Mal so groß, und vor allem
ändert er sich, mit der Erwärmung des Gerätes im
Betrieb. Für die meisten Fälle ist das aber immer noch
gut genug. |
![]() |
Autor: sprut
erstellt: 12.12.2015
letzte Änderung: 29.05.2022