50 MHz-Frequenzzähler

mit 16F84 und LCD-Display

zurück zu Projekte , PIC-Prozessoren , Elektronik , Homepage


Ein einfaches Frequenzmessgerät von 400 Hz bis 50 MHz
Für den Elektronikbastler ist ein Frequenzmesser ein wichtiges Messgerät. Hier wird eine einfache und preiswerte Lösung für Frequenzen im Bereich von wenigen kHz bis zu 50 MHz vorgeschlagen.
 
- Frequenzbereich 4 Hz bis 50 MHz
- Auflösung 24 Bit
- Genauigkeit
(f > 4 MHz)
unkalibriert 0,005%
normal 0,001%
maximal 0,0001% 

Genauigkeit
(f = 400 Hz)
1%
- Anzeige 8 Stellen auf LCD

Messbereiche: 

  •      4 Hz  ...  4 MHz, Auflösung    4 Hz
  •   4 MHz ...  8 MHz, Auflösung    8 Hz
  •  8 MHz ... 16 MHz, Auflösung 16 Hz
  • 16 MHz ... 32 MHz, Auflösung 32 Hz
  • 32 MHz ... 50 MHz, Auflösung 64 Hz
Der Frequenzzähler fängt zwar ab 4 Hz an zu arbeiten, aber eine brauchbare Auflösung (<1%) erreicht er erst oberhalb von 400 Hz.
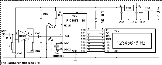
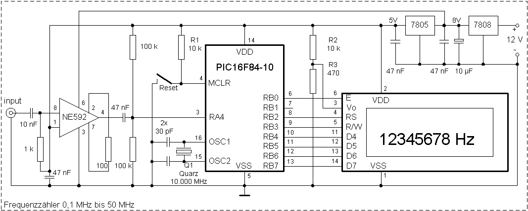
Stromlaufplan - anklicken zum vergrößern


Schaltung
Man könnte sowohl auf die 4-stellige LED-Anzeige wie auch auf die LCD-Anzeige zurückgreifen. Owohl die LCD-Anzeige im praktischen Betrieb schlechter ablesbar ist, als die LED-Anzeige, habe ich ihr letztendlich den Vorzug geben, denn:

Theorie der Frequenzmessung
Ein Frequenzzähler zählt die während einer festen Zeit eintreffenden Impulse, und zeigt diese an. Treffen z.B. innerhalb einer Sekunde genau 100 Impulse ein, so beträgt die Eingangsfrequenz 100 Hz und der Messfehler 1 Hz.
Zählt man nur 1/10 Sekunde, so muss man das Zählergebnis noch mit 10 multiplizieren. Die Messgenauigkeit verringert sich auf 10 Hz.

Zum Zählen bietet sich der Timer0 an. Dieser kann direkt oder über einen einstellbaren Vorteiler mit dem Eingangspin RA4 verbunden werden. Da der PIC16F84 aber nur einen Timer hat, muss die feste Messdauer durch eine Programmschleife realisiert werden. Für eine Messzeit von 1 Sekunde benütigt man eine Warteschleife mit 2.500.000 Takten auf einem 10 MHz PIC.

8-Bit-Zähler
Der Timer0 ist leider nur 8 Bit groß - kann also nur bis 255 zählen. Mit 1 Sekunde Messzeit, beträgt also die höchste messbare Frequenz 255 Hz. Zu wenig.
Durch Nutzung des Vorteilers lässt sich die Eingangsfrequenz bis zu 256:1 herunterteilen. Die 255 entspräche dann 255*256=65280Hz. Schon besser, allerdings  verringert der Vorteiler die Messgenauigkeit: die 65280 Hz werden nur mit 256 Hz Genauigkeit gemessen.

Verwendet man anstelle der 1 Sekunde Messzeit 1/100 Sekunde, dann zählt der Zähler nur 1/100stel der Frequenz. Die richtige Frequenz wäre also 255*256*100=6,528 MHz. Durch weitere Verkürzung der Messzeit lassen sich auch höhere Frequenzen problemlos messen. Die Grenze ist die maximale Eingangsfrequenz des Vorteilers. Bis 50 MHz habe ich problemlos erreicht.

Natürlich verringert sich durch den Vorteiler und die kurze Messzeit die Auflösung der Messung gewaltig. Bei einem Vorteiler 256:1 und 1/100Sekunde Messzeit, wird die Frequenz in Schritten von 25,6 kHz bestimmt. Durch den kleinen 8 Bit Timer bedingt ist die Messgenauigkeit auf 0,4% des Messbereichsmaximalwerts begrenzt. Für einfache Zwecke reicht das. Für höhere Ansprüche benötigen wir eine bessere eine Lösung.

24-Bit-Zähler
Wenn man jeden Überlauf des Timer0 per Software in einem 16-Bit Software-Zähler mitzählt hat man einen 24-Bit Zähler mit dem man von 1 bis 16777215 zählen kann. Damit ließen sich ohne Vorteiler theoretisch mit einer Messzeit von 1 Sekunde Frequenzen bis zu 16 MHz mit einer Genauigkeit von 1 Hz messen, wenn der Timer0 16 MHz vertragen würde. Leider ist sein Eingangstakt auf 1/4 des Prozessortaktes beschränkt. Der Timer0 eines mit 10 MHz getakteter PIC kann also maximal 2,5 MHz zählen. Für höhere Frequenzen kann man aber den Vorteiler einsetzen.

Ein besonderes Problem ist es, den Überlauf des Timer0 zu zählen, und trotzdem den Wert des Timer0 richtig auszulesen. Es ist nämlich nicht möglich dafür das praktische T0IF-Bit zu benutzen. Zwischen der letzten Abfrage des T0IF-Bits und dem Auslesen des Zählers am Ende der Messzeit könnte der Timer0  schon wieder übergelaufen sein. Deshalb wäre das Zählergebnis in Ausnahmefällen um 256 verfälscht. Man greift besser zyklisch auf den Timer0-Wert zu, und beobachtet das Bit 7, um den Überlauf zu erkennen (springt von 1 auf 0) mit dem gelesenen Wert hat man automatisch am Ende der Messzeit die unteren 8 Bit des 24-Bit-Zählwerts verfälschungsfrei.

Berechnung der Frequenz aus dem Zählwert
Zählt man eine Sekunde lang und verwendet man nicht den Vorteiler, so ist das Zählergebnis gleich der Frequenz. In allen anderen Fällen muss man die Frequenz aus dem Zählergebnis berechnen. Dazu multipliziert man das Zählergebnis mit dem Vorteilerwert und dividiert es durch die Messzeit (gemessen in Sekunden). Um den mathematischen Aufwand in Grenzen zu halten, sollten als Messzeit 1s, 1/2 s, 1/4 s, 1/8 s, 1/16 s, 1/32 s usw. verwendet werden. Dann ist die Division nämlich eine Multiplikation mit 1, 2, 4, 8, 16, 32 usw. All dies lässt sich durch wiederholte Multiplikation mit 2 erreichen, und diese Multiplikation ist lediglich eine Verschiebung der Bits im Zählergebnis um jeweils eine Stelle nach links.

Das gleiche gilt für die Multiplikation mit dem Vorteiler (1, 2, 4, 8, 16, 32...) so dass die Frequenzberechnung mit ein paar 'RLF' Befehlen zu erschlagen ist. Dabei kann die Zahl länger als 24 Bit werde, wir gehen deshalb auf 32-Bit über.

Umrechnung der Frequenz in eine Dezimalzahl
Leider ist das Rechenergebnis eine Binärzahl, mit der wir im täglichen Leben kaum umgehen können. Deshalb steht nun noch die Umwandlung in eine Dezimalzahl an. Das würde man normalerweise durch wiederholte Division durch 10 erledigen, aber eine vollwertige 32-Bit-Divisionsroutine wäre ein zu großer Aufwand. Ich zerlege die Zahl durch Subtraktion und Division in ihre Zehnerpotenzen.

Ausgabe der Zahl
Das fertige Ergebnis kann man nun mit LCD und LED anzeigen oder z.B. über RS232 ausgeben. Die Anzeige auf einem intelligenten LCD-Display ist vergleichsweise einfach und deshalb zu bevorzugen.

Eine 7-Segment LED macht schon mehr Probleme. Sie müsste 8 Stellen lang sein. Am 16F84 läss sich so eine lange Anzeige nur mit Hilfe eines 'BCD zu 1 aus 8'-Decoders oder eines Schieberegisters (beides für die Selektion der Stelle) ansteuern. Solange die LED-Anzeige leuchtet, kann der PIC keine Frequenz messen. Deshalb muss man kurze Messzeiten verwenden (1/16 s) und anschließend das Ergenis für längere Zeit anzeigen (1/4 s) um das Flackern der Anzeige erträglich zu halten.

Die Ausgabe über RS232  wäre einfach zu realisieren. So könnte man den PC schnell um einen 8 stelligen Frequenzzähler erweitern.

Ich verwende aber ein LCD-Display.



Beschreibung der gewählten Lösung
Verwendet wird ein PIC16F84-10, ein 10 MHz-Quarz und ein LCD-Display am PortB. (Stromlaufplan ) Die Verwendung eines Quarzes anstelle eines Keramikresonators ist zwingend notwendig, da die Resonatoren einen Frequenzfahler von ca. 0,5% aufweisen. Bei einem so ungenauen Frequenznormal wäre alles über 8-Bit Selbstbetrug. Ein Quarz erreicht ohne besondere Maßnahmen (aber mit Ziehkondensator) dagegen eine Genauigkeit von 0,001% (10 ppm) unter termisch stabilen Bedingungen sogar 0,00005%.

Die zu messende Frequenz wird mit TTL-Pegel an RA4 angelegt.

Vor der eigentlichen Frequenzmessung macht das Programm eine Grobmessung. Mit einem Vorteiler von 256:1, einer Messzeit von 256 Mikrosekunden und einer Genauigkeit von 8 Bit. Damit wird die Eingangsfrequenz in Megaherz bestimmt. Dem Ergebnis entsprechend wird der Vorteiler eingestellt:

Mit diesem Vorteiler wird dann eine 24-Bit genaue Zählung über 1/2 Sekunde durchgeführt.

Das 24-Bit Zählergebnis wird zunächst mit 2 (1/2 Sekunde Messzeit) und anschließend mit dem Vorteilerwert multipliziert.

Die so erhaltene 32-Bit Frequenz wird in eine 8-stellige Dezimalzahl gewandelt

Die Dezimalzahl wird an das LCD ausgegeben.

Anschließend erfolgt ein neuer Messzyklus.



Test und Kalibrierung
Funktionstest
Um die Funktionstüchtigkeit des fertig aufgebauten Frequenzzählers zu prüfen, verbindet man den Frequenzeingang RA4 mit dem Taktausgang des PIC OSC2. Nun muss der Frequenzzähler exakt die Sollfrequenz des Quarzes '10 000 000 Hz' anzeigen. Damit ist die Funktionsfähigkeit des Frequenzzählers erwiesen.

Die Genauigkeit des Frequenzzählers wird durch den Anzeigefehler (Auflösung der Anzeige) und den Quarzfrequenzfehler bestimmt.

Da der Frequenzzähler nur mit einer Aufösung von 4 Hz anzeigt, ist sein Anzeigefehler bei kleinen Frequenzen groß. Erst ab 400Hz liegt der Anzeigefehler unter 1%. Oberhalb von 100kHz liegt der Anzeigefehler aber unter 0,005% (50ppm), so dass die Messgenauigkeit durch die Genauigkeit des Quarzes begrenzt wird.

Kalibrierung
Ohne Kalibrierung erreicht der Zähler eine Genauigkeit von ca 0,005%. Das entspricht bei einer Eingangsfrequenz von z.B. 20 MHz einem Fehler von 1 kHz.  Die Frequenzabweichungen werden durch eine Abweichung der PIC-Takt-Quarzfrequenz (Q1) von den gewünschten 10 MHz verursacht (ohne spezielle Maßnahmen ca. 50ppm). Die meisten 10 MHz Quarze schwingen etwa 500 Hz zu schnell (meiner Erfahrung nach, Ausnahmen wird es auch geben), und müssen mit einem Trimmkondensator abgeglichen ('gezogen') werden. Ohne Abgleich wäre der angezeigte Frequenzwert etwa 0,005% zu klein. (Das ist kein Pfusch. Vielmehr werden die Quarze für eine bestimmte kapazitive Belastung hergestellt.)
Als Trimmkondensator wird ein 30pF-Keramik-Trimmkondensator zwischen OSC1 und Masse angeschlossen, und auf ca. 20 pF eingestellt (20 pF 'bremsen' den 10-MHz-Quarz um etwa 600 Hz). Der Frequenzzähler wird nun an eine Referenzfrequenzquelle (wenn man denn eine findet) angeschlossen und durch Verstellen des Trimm-Kondensators die angezeigte Frequenz der Referenzfrequenz angeglichen. Der zulässige Anzeigefehler ist je nach Messbereich 4 Hz (bei f < 4 MHz) bis 64 Hz (bei f > 32 MHz). Danach sollte der Messfehler im gesamten Frequenzbereich auf 0,001% reduziert sein. Höhere Genauigkeiten lassen sich nur noch mit einem Termostat erreichen, der den Quarz auf einer konstanten Temperatur hält.
Normale Quarze, Quarzoszillatoren, PLL-Tuner u.ä. eignen sich nicht als Lieferant für eine Referenzfrequenz, da sie zu ungenau sind!

Wer (wie die Meisten) keine präzise Referenzfrequenz zur Verfügung  hat, kann wie hier beschrieben vorgehen. Dazu wird der Frequenzzähler komplett aufgebaut, und von OSC1 nach Masse ein 30-pF-Trimmkondensator angeschlossen. Danach wird die Software aus dem Lernbeispiel LCD-UHR in den PIC gebrannt. Genau zur vollen Stunde (nach der Fernseh-Uhr) wird die Null-Taste an der Uhr gedrückt (also RB1 kurz mit Masse verbunden). Die Uhr startet mit 00:00:00. Nach 24-Stunden wird festgestellt, ob die Uhr mehr als 1 Sekunde vor oder nach geht. Ist dass der Fall, wird der Trimmkondensator verändert, und die Uhr zur vollen Stunde wieder auf 00:00:00 gesetzt. Eine vergrößerte Kapazität bremst eine zu schnell laufende Uhr, eine verkleinerte Kapazität beschleunigt eine zu langsame Uhr. Eine Veränderung des Trimmkondensators um 1 pF bewirkt eine Gangänderung von ca. 0,25 Sekunden pro Tag. Nach einigen Tagen sollte man eine Trimmerstellung gefunden haben, bei der die Uhr genau läuft. Nun wird die Frequenzmesser-Software in den PIC gebrannt: fertig.

Maximalfrequenz
Aufgrund der Datenblätter des PIC16F84 lassen sich keine verlässlichen Höchstwerte für die Eingangsfrequenz des Zählers ermitteln. Ich habe ihn mit TTL-Signalen von bis zu 50 MHz getestet. Ein Nachbauer erreichte mit einem geeigneten Vorteiler über 100 MHz,. aber das ist die Grenze, da Frequenzen oberhalb 100 MHz im Display nicht mehr als korrekte Dezimalzahlen dargestellt werden.



Mögliche Verbesserungen
 
Der PIC verlangt TTL-Impulse. Ein zusätzlicher Vorverstärker kann den Frequenzzähler universeller einsetzbar machen.
Die nebenstehende Schaltung entstammt einem konventionellen Zähler von  Joachim Münch und benutzt den Videoverstärker NE592. Da dessen Funktion erst ab 6V garantiert ist, benötigt er eine eigene Stromversorgung - in diesem Fall 8V. Der Eingangskondensator begrenzt die minimale Eingangsfrequenz der Schaltung auf etwa 100 kHz. Das ist also ein HF-Frequenzmesser.
Zähler mit Vorverstärker
Auch wenn der Zähler nur mit TTL-Impulsen gespeist wird, sollte sein Eingang mit einem Reihenwiderstand und zwei Schutzdioden (gegen +5V und Masse) gegen falsche Eingangspegel geschützt werden TTL-Frequenzzähler
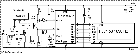
Ein hochfrequenztauglicher Vorteiler kann den Frequenzbereich bis über 1GHz erweitern. 

 Die Software muss natürlich angepasst werden, und die Messgenauigkeit verringert sich um den Faktor 64 auf 1 kHz ...2 kHz. 
Die Schaltung ist hier beschrieben.

1,3 GHz-Frequenzzähler

Hinweis zum LCD-Display
Das Programm wurde für ein 2-zeiliges Display mit 16 Zeichen pro Zeile geschrieben. Alle Displays mit dem Hitachi-Controllerchip HD44780 funktionieren ähnlich, so dass sich das Programm an andere Displays anpassen lässt. Der naheliegende Gedanke, ein 1x16-Display zu verwenden  birgt eine Falle, die aber umgangen werden kann. Die 1x16-Displays sind eigentlich 2x8-Displays, deren beide Zeilen hintereinander angeordnet sind. Deshalb ist ein solches Display als 2-zeilig zu initialisieren. Nach der Ausgabe des 8.Zeichens ist  ein Befehl einzufügen, der das Display veranlasst auf die 2. Zeile überzugehen.

;8 Zeichen fertig
;ACHTUNG
;die folgenden 2 Zeilen nur bei einem 1-Zeiligen Display 1x16
    movlw    B'11000000'      ; Sprung zur virtuellen 2. Zeile bei 1x16
    call     OutLcdControl    ; Sprung zur virtuellen 2. Zeile bei 1x16

Wird dies nicht beachtet, dann werden nur die ersten 8 Zeichen im Display dargestellt.

Ein Beispiel für die Nutzung eines 1x16-Displays findet sich im ASM-Code der Frequenzanzeige für UKW-Empfänger .
Ich habe weiter unten den angepassten Assemblercode mit dem passenden HEX-File schon bereitgestellt.



Programmlisting Beim Brennen des PIC bitte darauf achten, dass der Taktgenerator des PIC auf 'HS' eingestellt wird!


zurück zu Projekte , PIC-Prozessoren , Elektronik , Homepage

erstellt: 25.11.2001
letzte Änderung: 24.03.2009