|
Einleitung |
![]() |
| Hinter
den Eingangspins (+ und -) des SSR verbirgt sich eine
interne Leuchtdiode ohne Vorwiderstand. Um das SSR zu
aktivieren, muss hier ein Strom von (je nach Typ) 8 mA bis
20 mA fließen. Auf keinen Fall darf der Strom aber
50 mA überschreiten. Die LED hat einen
Spannungsabfall von ca. 1,2 V, womit alle Angaben zur
Verfügung stehen, um den zum Betrieb nötigen
Vorwiderstand zu berechnen. Ein S202S02 benötigt mindestens 8 mA. Sicherheitshalber wähle ich ca.15 mA als Sollwert für den Steuerstrom. Als Steuerspannung stehen im Beispiel 5 V zur Verfügung R
= U / I = (5V-1,2V) / 15mA = 253 Ohm.
Mit einem 270-Ohm-Widerstand liegt man noch im sicheren Bereich (14 mA). |
![]() |
| Es
kann hilfreich sein, in die Ansteuerleitung noch eine
externe LED einzuschleifen, die dann optisch anzeigt, ob
das SSR gerade angesteuert wird. Der Spannungsabfall
dieser externen LED muss dann in der Berechnung
berücksichtigt werden. Mit einer roten oder
grünen Signal-LED (1,5 V Spannungsabfall) vermindert
sich der Wert des Vorwiderstandes auf etwa 150 Ohm. R
= U / I = (5V-1,2V-1,5V) / 15mA = 153 Ohm.
In Sperrrichtung verträgt die LED des SSR nicht mehr als 6 V. |
![]() |
| Normalerweise
wird der Triac aktiv, wenn er durch die LED beleuchtet
wird. Es gibt aber eine zweite - unerwünschte -
Möglichkeit den Triac zu zünden: ein schneller
Anstieg der Spannung zwischen den beiden Kontakten des
Triac. Das nennt man dann dV/dt-Problem.
Für die von mir verwendeten Sharp-SSR beträgt
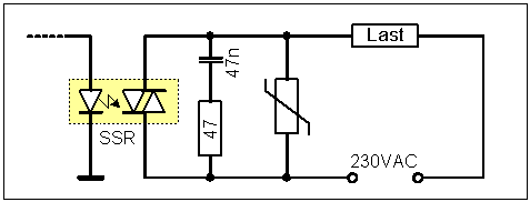
der kritische Anstieg 30 V/us. Bei den üblichen 230 VAC / 50 Hz sollte sowas ja eigentlich nicht vorkommen, aber je nach Art der Last (z.B. mit Schaltern) kann man sowas eben doch nicht ausschließen. Deshalb sollte man zwischen die beiden Kontakt-Pins des SSR einen sogenannten snubber-circuit schalten. Das ist eine Reihenschaltung aus einem Widerstand und einem Kondensator. Die Werte der beiden Bauteile hängen von der Last ab, aber 47 nF und 47 Ohm sind ein guter Startwert. Einige SSR haben einen integrierten snubber-circuit (S202S12). |
![]() |
| Liegt
an den Schalt-Kontakten des SSR eine zu hohe Spannung an, dann
stirbt es. Da war das gute alte mechanische Relais
deutlich toleranter. Typische Netzspannungs-SSR vertragen
meist bis zu 600 V zwischen den Kontakten. Das klingt erst
einmal nach viel, ist es aber nicht. Eine induktive
Last kann beim Abschalten sehr leicht eine kurze
Spannungsspitze erzeugen, die die 600 V
überschreitet, und das SSR zerstört. Der
snubber-circuit stellt da nicht immer einen ausreichenden
Schutz dar. Besser ist es, noch einen Varistor (400 ...
500 VDC; 250 VAC) parallel zu den Schaltkontakten
anzuschließen. |
![]() |
| Bezeichnung |
Umax |
Imax |
I led |
Zero-Crossing |
Snubber-Circuit |
Preis (Reichelt) Euro |
| S201S06 |
600 V | 3 A |
15 mA |
Ja |
nein | 4,40 |
| S202S01 |
600 V |
8 A |
8 mA |
nein |
nein | 3,25 |
| S202S02 |
600 V | 8 A | 8 mA | Ja |
nein | 3,20 |
| S202S11 |
600 V | 8 A | 8 mA | nein | Ja | 7,15 |
| S202S12 |
600 V | 8 A | 8 mA | Ja | Ja | 9,15 |
| S216S01 | 600 V | 16 A |
20 mA |
nein | nein | - |
| S216S02 |
600 V | 16 A | 20 mA |
Ja | nein | 5,35 |
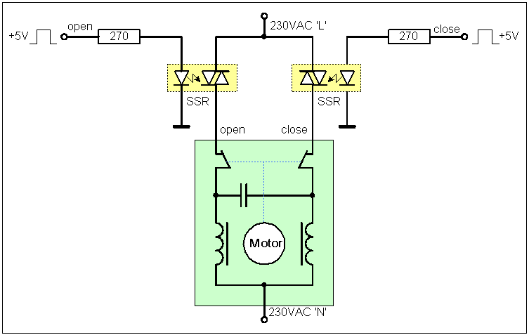
| Abschließend
mal ein Beispiel dafür, wie man SSR nicht betreiben
sollte. In der Warmwasserversorgung meines Hauses steuere ich mehrere Pumpen und eine Kugelventil mit SSRs an. Ich verwendete die zero-crossing-Typen S202S02 und verzichtete anfangs auf jegliche Schutzbeschaltung. Trotzdem machten die Pumpen mit ihren ca. 50 W Leistungsaufnahme keine Probleme. Ganz anders allerdings das elektrisch gesteuerte Kugelventil. Es hatte 3 Anschlussleitungen. Eine war an "Neutral" angeschlossen, und die beiden anderen wurden wahlweise mit Phase verbunden, um das Ventil zu öffnen oder zu schließen. Da der Motor des Ventils gerade einmal 5 W aufnahm, machte ich mir um Induktionsspitzen keine Gedanken, die 10 mal stärkeren Pumpen ließen sich ja auch schalten. Das war ein Fehler. Nach wenigen Tagen Betrieb, waren beide SSR der Ventilsteuerung ausgefallen! Beide ließen nun jeweils eine Halbwelle der Netzspannung dauerhaft durch. Was war geschehen? Ein Blick in die Innereien des Ventils offenbarte das Problem. Der Motor des Ventils hat zwei Spulen, die über einen Kondensator verbunden sind. Dieser wirkt als Phasenschieber. Je nachdem, welche Eingangsleitung nun mit 230 VAC verbunden wird, erhält eine Spule die 230-VAC-Spannung, und die andere Spule eine phasenverschobene Version dieser Spannung. Dadurch erreicht man wahlweise Rechtslauf oder Linkslauf. Schon diese Phasenverschiebung sorgte dafür, dass am passiven SSR 340 VAC anlagen. Die Spitzenspannung beträgt dabei ±480 V (peak) und liegt damit nur noch 120 V unter der zulässigen Höchstspannung des SSR. Endschalter unterbrechen den Stromfluss zum Motor in der Endstellung des Ventils. Da das durchaus mitten in einer Halbwelle der 230 VAC passieren kann, entstehen hohe Induktionsspitzen in beiden Motorspulen. Durch den anderen (in diesem Moment ja geschlossenen) Endschalter und den Kondensator gelangt diese Induktionsspitze mit voller Wucht zum abgeschalteten SSR. Schon nach wenigen Ventilbewegungen waren dadurch beide SSR zerstört (mit Folgeschäden am Ventilantrieb). Ich tauschte die SSRs durch S202S12 mit snubber-circuit und montierte über den SSR-Ausgängen 500-V-Varistoren. Auch die SSRs der Pumpen bekamen nachträglich 400-V-Varistoren spendiert. Es kann ja immer mal mitten im Pumpenbetrieb der Strom ausfallen - mit vergleichbaren Induktionsfolgen. |
![]() |