PIC-Lernbeispiel: LCD-Display


zurück , Lernbeispiele , PIC-Prozessoren , Elektronik , Homepage


Ein intelligentes alphanummerisches Dotmatrix-Display ist am Port B angeschlossen. Ein einfacher Text wird am Display angezeigt.
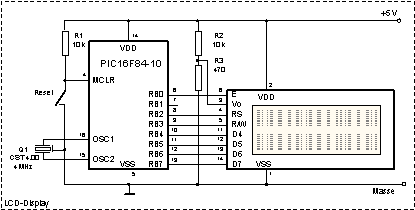
Eine komfortable und dabei preiswerte Anzeige ist ein intelligentes alphanumerisches Dotmatrix-Display . Die gibt es mit 1 bis 4 Zeilen zu je 16 bis 40 Stellen. Die Ansteuerung des Displays erfolgt über 3 Steuerleitungen sowie einen Datenbus. Der Datenbus kann sowohl 4-bittig wie auch 8-bittig sein. Da der kleine PIC nicht allzuviele Port-Pins hat benutzen wir den 4-bittigen Datenbus. Damit sind insgesamt 7 Verbindungsleitungen zwischen PIC und Display nötig. Wir benutzen 7 Pins des Port B.

Schaltung
Das Display ist mit 7 Leitungen am Port B angeschlossen. Die Schaltung entspricht der LCD-Tastatur-Platine ohne Tastatur, verbunden mit der 16F84-Testplatine oder der 16F84-Miniplatine

Mit den 7 Leitungen werden folgende Verbindungen hergestellt. 

Schaltbild
Port-Pin Pin am Display Funktion
RB0 Signal "E" (enable)  selektiert das Display. Die Leitung muss aktiv sein, damit das Display auf andere Signale reagiert
RB2 Signal "RS" sagt dem Display, ob das nun auf dem Datenbus eintreffende Byte ein Steuerkommando oder ein darzustellenden Zeichen ist
RB3 Signal "R/W" (read/write) gibt an, ob in das Display geschrieben oder aus dem Display gelesen wird
RB4-7 D4-D7 4-Bit-Datenbus
Weitzere Infos zu Dotmatrix-Displays findet man hier .


Programmablauf
Zuerst wird der PIC initialisiert, d.h. die Ports werden eingestellt.
Zur Vorbereitung muss man das Diplay initialisieren.
Dann wird ein Text "Hallo" zum Display übertragen.


Programmlisting

Das Programm ist für einen 16F84 geschrieben worden, sollte aber auch in einem 16F628 oder 16F87x funktionieren. Wer das ASM-File nicht neu in eine HEX-File für diese Typen assemblieren möchte, hann auch das 16F84-HEX-File in diese PIC-Typen brennen, muss dann aber beim Brennen die Konfiguration von Hand einstellen. Die im HEX-File enthaltene Konfiguration geht nur für den 16F84.


Weiterführend
Nun bietet es sich an, diese Schaltung mit der Tastaturabfrage zu verknüpfen. Das kann jeder einmal selber ausprobieren.

Zu beachten ist dabei:

Das ganze gibt es aber auch schon als Lernbeispiel.

zurück , Lernbeispiele , PIC-Prozessoren , Elektronik , Homepage
Autor: sprut
erstellt: 2000
letzte Änderung: 30.09.2003