PIC-Lernbeispiel: Tastatur & LCD-Display


zurück zu Lernbeispiele , PIC-Prozessoren , Elektronik , Homepage


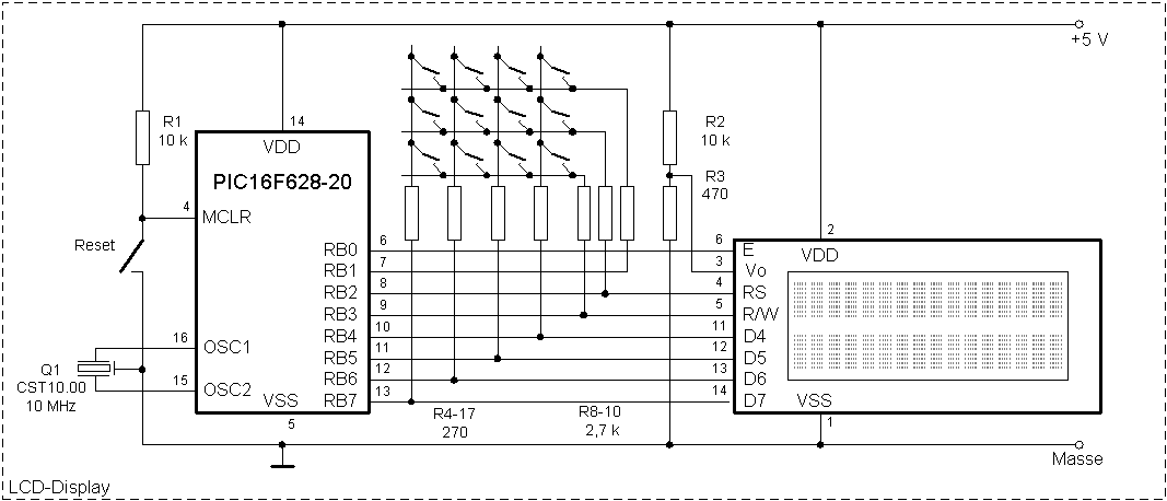
Ein intelligentes alphanummerisches Dotmatrix-Display ist zusammen mit einer Tastatur am Port B angeschlossen. Betätigte Tasten werden am Display angezeigt.
Eine Tastatur und ein LCD-Display lassen sich parallel an einem Port betreiben.

Schaltung
Das Display und die Tastatur sind mit jeweils 7 Leitungen am Port B angeschlossen. Die Schaltung entspricht der LCD-Tastatur-Platine , verbunden mit der 16F84-Testplatine oder der 16F84-Miniplatine

Um Tastatur und LCD am gemeinsamen Port zu betreiben, sind Entkopplungswiderstände nötig. Sie verhindern, das die Tastatur die Komunikation zwischen PIC und LCD stört. Zur Abfrage der Tastatur, wird dann das Display-Interface abgeschaltet ('E'nable-Eingang = low). Deshalb ist diese Leitung (RB0) für das LCD reserviert.

Schaltbild
Weitzere Infos zu Dotmatrix-Displays findet man hier .


Besonderheiten
Damit es nicht langweilig wird, habe ich im Vergleich zum Tastatur- und LCD-Lernbeispiel einige Dinge verändert.


Programmablauf

Damit bei einem Tastendruck nicht sofort das ganze Display mit mit dem gleichen Zeichen gefüllt wird, verwende ich die Routine Tastfrei. Zusammen mit der Entprellung garantiert sie, das pro Tastendruck nur 1 Zeichen zum Display  geschickt wird.

Programmlisting


zurück zu Lernbeispiele , PIC-Prozessoren , Elektronik , Homepage
Autor: sprut
erstellt: 10.10.2002
letzte Änderung: 11.12.2002