PIC-Lernbeispiel: Messen einer Spannung,
Anzeige der Spannung am LCD

mit PIC16F876


zurück zu Lernbeispiele , PIC-Prozessoren , Elektronik , Homepage

Schaltung
Problem Nr. 1: Umrechnung in Millivolt
Problem Nr. 2: Umwandlung  in eine Dezimalzahl
16-Bit Addition/Subtraktion
Division durch 2
Lösung für Problem Nr. 1: Umrechnung in Millivolt
Lösung für Problem Nr. 2: Umwandlung einer 16 Bit Binärzahl in eine Dezimalzahl

zurück zu Lernbeispiele


eine analogen Eingangsspannung von 0V ... 5V wird gemessen und am LCD angezeigt
Die Spannungsmessung und die binäre Anzeige wurde schon behandelt.
Die Ansteuerung eines LCD ist auch nicht neu.
Will man aber die gemessene Spannung in Volt oder Millivolt am LCD anzeigen, ist etwas 'Datenverarbeitung' nötig.


Schaltung
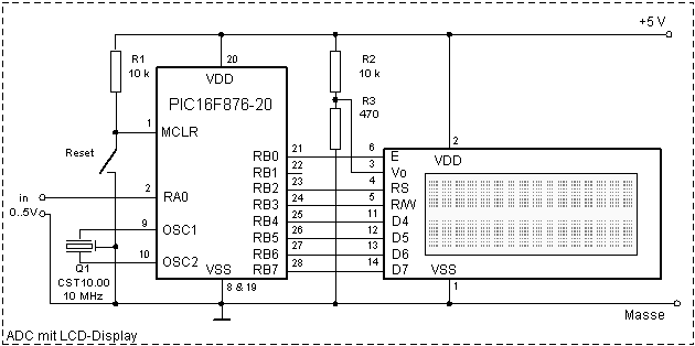
Schaltbild zum ADC-Beispiel Die Schaltung besteht lediglich aus einem PIC16F876 (oder anderer 16F87x), einer 10-MHz Schwinger und einem Dot-Matrix Display. Die analoge Spannung wird an RA0 ind den PIC gespeist. 

Zur Anzeige wird der 10 bittig  gemessene ADC-Wert 4-stellig am LCD dezimal angezeigt (in Millivolt).

Zum Aufbau eignet sich z.B. die 16F876-Testplatine.und die LCD-Adapterplatine.

Beim Brennen des PIC ist der HS-Oszillator auszuwählen

++ACHTUNG++
um den PIC nicht zu beschädigen, darf die Eingangsspannung am Pin RA0 nicht kleiner als Vss-0,3V und nicht größer als Vdd+0,3V sein!! Wer das nicht garantieren kann, sollte den Eingang mit einem Vorwiderstand und zwei Schutzdioden (Shottky-Dioden nach Vss und Vdd) schützen, wie das z.B. im einfachen ADC-Beispiel zu sehen ist.


Problem Nr. 1
Wird Vdd (+5V) als Referenzspannung verwendet, dann misst der ADC mit einer Auflösung von 5V / 1024 = 4,8828125 mV.
Das binäre 10-Bit-Ergebnis der AD-Wandlung (Uadc) kann in einen Millivoltwert umgewandelt werden, wenn es mit 4,8828125 multipliziert wird.

U[mV] = 4,8828125 * Uadc
Das entspricht einer Multiplikation mit 5 und einer nachfolgenden Division durch 1,024.
Wie kann man diese Aufgabe lösen, ohne eine richtige Fließkomma-Mathematik zu betreiben??

In einem PIC lassen sich folgende Berechnungen leicht durchführen:

Die zugehörigen Befehle stehen in Klammern neben den Operationen. Die eigentlich nur 8-bittigen Operationen lassen sich relativ einfach einfach auf 16 Bit erweitern. Diese 16 Bit reichen aus, um unsere ADC-Ergebnisse (10 Bit) zu verarbeiten.

Die oben geforderte Multiplikation mit 5 lässt sich auf 2 Wegen einfach realisieren.


Die Division durch 1,024 ist etwas schwieriger. Es gilt aber

X / 1,024 = X - X/64 - X/128
Damit ergibt sich also für die Spannung in Millivolt folgende Berechnungsmöglichkeit:
U[mV] = 5Uadc - 5Uadc/64 - 5Uadc/128
Diese Berechnung lässt sich einfach auf  Bitverschiebebefehle, eine 16-Bit-Addition und zwei 16-Bit Subtraktionen zurückführen. Auf richtige Multiplikationen und Divisionen lässt sich verzichten.


Problem Nr. 2
Wir haben nun die am Pin RA0 anliegende Spannung in Millivolt ermittelt. Unsere Zahl ist aber immer noch eine Binärzahl. Auf dem LCD-Display wollen wir aber eine Dezimalzahl anzeigen. Dazu ist eine Binär-zu-Dezimal-Wandlung nötig.
Zur Wandlung einer Binärzahl in eine Dezimalzahl gibt es prinzipiell zwei Möglichkeiten

Auch eine Division durch 10 lässt sich mit der Subtraktion erschlagen. Mann probiert einfach, wie oft sich von einer Zahl subtrahieren lässt, ohne dass man ein negatives Ergebnis erhält.


Weg zur Lösung: 16-Bit Addition/Subtraktion
Was wir unter allen Umständen benötigen ist die 16-Bit Addition und die 16-Bit Subtraktion. Beide benötigen jeweils ein kleines Unterprogramm. Da alle Register des PIC nur 8 Bit groß sind, lege ich je zwei Register fest, die jeweils zusammen eine 16-Bit Zahl speichern sollen:

Die Wahl der Namen f und xw ist völlig willkürlich. Natürlich müssen f0, f1, xw0 und xw1 noch mit equ-Anweisungen reale Register zugeweisen werden.

16 Bit Addition
Nachfolgender Code zeigt eine 16-Bit Addition der Werte f (f1,f0) und xw (xw1,xw0). Das 16-Bit Ergebnis wird in f gespeichert, xw wird nicht verändert. Sollte das Ergebins 17 Bit groß sein, so wird zum Zeichen des Überlaufs das C-Bit im Register STATUS gesetzt..
 
;*********************************************************************
;16 bit Adition, C-Flag bei Überlauf gesetzt
Add16                           ; 16-bit add: f := f + xw
        movf    xw0,W           ; xw0 nach W
        addwf   f0,F            ; f0 := f0 + xw0

        movf    xw1,W           ; xw1 nach W
        btfsc   STATUS,C        ; fall ein Überlauf auftrat:
        incfsz  xw1,W           ;   xw1+1 nach W
        addwf   f1,F            ; f1 := f1 + xw1

        return                  ; fertig

16 Bit Subtraktion
Für die Subtraktion benötigen wir ein zusätzliches Hilfsregister 'Fehler', in dem wir uns merken müssen, ob während der Berechnung ein Borgen von der höchsten Stelle nicht mehr möglich war, also ein Überlauf während der Berechnung auftrat. Auch muss des C-Flag zum Schluss invertiert werden, da der SUBWF-Befehl genau beim Überlauf kein C-setzt.
 
;*****************************************************
; 16 Bit Subtraktion, bei Überlauf (neg. Ergebnis) ist C gesetzt
Sub16                           ; 16 bit f:=f-xw 
        clrf    Fehler          ; extraflags löschen 

        movf    xw0, w          ; f0:=f0-xw0
        subwf   f0, f

        btfsc   STATUS,C
        goto    Sub16a
        movlw   0x01            ; borgen von f1
        subwf   f1, f

        btfss   STATUS,C
        bsf     Fehler, C       ; Unterlauf

Sub16a
        movf    xw1,w           ; f1:=f1-xw1
        subwf   f1    ,f

        btfss   STATUS,C
        bsf     Fehler, C       ; Unterlauf

       bcf     STATUS, C       ; C-Flag invertieren
        btfsc   Fehler, C
        bsf     STATUS, C
        return


Division durch 2
Dezimalzahlen (Zahlenbasis 10) kann man durch 10 dividieren, indem man einfach alle Stellen der Dezimalzahl um eine Stelle nach rechts verschiebt. (1250 / 10 = 125)
Genauso kann man Binärzahlen (Zahlenbasis 2) durch 2 dividieren, indem man alle Stellen der Binärzahl um einen Stelle nach rechs verschiebt. (101010b / 10b = 10101b)
Das erledigt für 8-Bit Zahlen der Verschiebebefehl RRF. Der lässt sich problemlos auf größere Zahlen anwenden, die über mehrere Register verteilt sind (z.B. xw1 und xw0).

Da wir Divisionen durch 64 und 128 benötigen, müssen wir die Division durch 2 also gleich mehrfach hintereinander anwenden. (64 = 2^6,  128 = 2^7)  Das erledigt folgende Routine:
 
;*****************************************************
; Division durch 2 wird w-mal ausgeführt
; die zu dividierende Zahl steht in xw
Div2 
        movwf   counter         ; Anzahl der Divisionen speichern
Div2a                           ; 16 bit xw:=xw/2
        bcf     STATUS, C       ; carry löschen
        rrf     xw1, f
        rrf     xw0, f

        decfsz  counter         ; fertig?
        goto    Div2a           ; nein: noch mal
        return


Lösung für Problem Nr. 1: Umrechnung in Millivolt
Damit haben wir nun alle nötigen Funktionen, um den ADC-Wert in einen Millivolt-Wert unmzurechnen, entsprechend der Formel:

U[mV] = 5Uadc - 5Uadc/64 - 5Uadc/128
;*****************************************************
; Wandlung des ADC-Wert in Millivolt (binär)
; Der ADC-Wert steht in f1,f0
mV
        ; zunächst die Multiplikation mal 5
        movfw   f0
        movwf   xw0
        movfw   f1
        movwf   xw1
        call    Add16           ; f := 2xADC
        call    Add16           ; f := 3xADC
        call    Add16           ; f := 4xADC
        call    Add16           ; f := 5xADC

        ; ADC * 5 nach xw kopieren
        movfw   f0
        movwf   xw0
        movfw   f1
        movwf   xw1             ; xw := 5xADC

        ; xw durch 64 dividieren (6 mal durch 2)
        ; dann ist xw = 5xADC/64
        movlw   6
        call    Div2

        call    Sub16           ; f := 5xADC - 5xADC/64

        ; xw auf 5xADC/128 verringern
        movlw   1
        call    Div2

        call    Sub16           ; f := 5xADC - 5xADC/64 - 5xADC/128 
        return                  ; fertig

Das hat doch gar nicht weh getan. Ganz ohne Fließkommaoperationen und ohne richtige Multiplikation/Division kommt man gelegentlich auch zum Ziel.


Lösung für Problem Nr. 2: Umwandlung einer 16 Bit Binärzahl in eine Dezimalzahl
Das Messergebnis des ADC kann nach der Wandlung in Millivolt nicht größer als ca. 5000 sein, da die maximale Eingangsspannung 5V = 5000 mV beträgt.
Wenn man davon ausgeht, das der Wert mit Sicherheit unter 10000 liegt, dann kann man wie folgt vorgehen.

Die Tausenderstelle des dezimalen Ergbnisses ermittelt man, indem man so oft es geht vom Millivoltwert 1000 abzieht.
Vom Rest zieht man so oft es geht 100 ab. Die Anzahl ergibt die Hunderterstelle.
Dann zieht man vom verbleibenden Rest 10 ab, so oft es geht. Die Anzahl ergibt die Zehnererstelle.
Der dann verbleibende Rest ist die Einerstelle.

Der nachfolgende Code enthält die komplette Wandlung. Das Ergebnis wird in 4 Registern (ST, SH, SZ, SE) dezimalstellenweise abgelegt.
 
;*****************************************************
; Wandlung einer Binärzahl (< 10000) in eine Dezimalzahl
; Die Binärzahl steht in f1,f0
; die Dezimalstellen werden in ST (tausender), SH (hunderter),
;    SZ (zehner) und SE (einer) gespeichert im BCD-Code
B2D
        ; Test auf tausender 1000d = 0x03E8
        movlw   0x03
        movwf   xw1
        movlw   0xE8
        movwf   xw0
        call    B2Da
        movwf   ST
        ; Test auf hunderter  100d = 0x0064
        clrf    xw1
        movlw   0x64
        movwf   xw0
        call    B2Da
        movwf   SH
        ; Test auf zehner     10d = 0x000A
        clrf    xw1
        movlw   0x0A
        movwf   xw0
        call    B2Da
        movwf   SZ
        movfw   f0
        movwf   SE
        return

B2Da
        clrf    counter
B2Db    incf    counter, f      ; wie oft abgezogen?
        call    Sub16           ; f:=f-xw 
        btfss   STATUS, C       ; zu oft abgezogen?
        goto    B2Db            ; nein: noch einmal
        call    Add16           ; f:=f+xw
        decf    counter, w      ; weil immer 1 zuviel gezählt wird
        return

Eigentlich können 16-Bit Zahlen größer als 9999 werden. Deshalb wäre eine Erweiterung um Zehntausender angebracht. Für unser ADC-Beispiel ist das aber nicht nötig.


Programmablauf


Programmlisting


zurück zu Lernbeispiele , PIC-Prozessoren , Elektronik , Homepage
Autor: sprut
erstellt: 20.01.2003
letzte Änderung: 01.08.2006