Kleinleistungs-Step-Up-Regler


zurück zu Schaltregler , Elektronik , Homepage

Das Problem
5V aus einer Zelle
12V aus 5V
9V aus 5V
 

zurück


Problem

Kleine batteriebetriebenen Geräte benötigen oftmals nur einen kleinen Strom, aber eine Spannung 5V oder mehr. Dann ist man gezwungen vier 1,5-V-Zellen oder einen 9-V-Block zu verwenden.
Besser, und auf lange Sicht auch billiger ist der Einsatz eines Kleinleistungs-Step-Up-Reglers, der aus 1,5 V oder 3 V eine stabile Spannung von 5 V oder 12 V bereitstellt.


5V aus einer Zelle (1,5V)

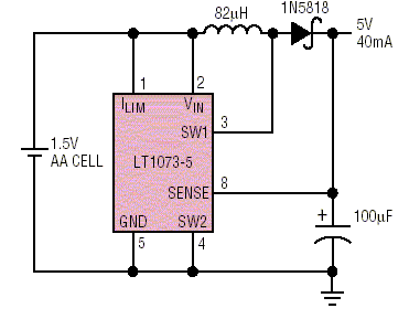
Will man mit nur einer einzigen Zelle als Stromversorgung auskommen, dann muss der Step-Up-Regler bis hinunter zu einer Eingangsspannung von nur 1V stabil funktionieren. In diesem Fall ist es am einfachsten, auf Spezialschaltkreise zurückzugreifen. So ein Schaltkreis ist der LT1073-5 von Linear Technology.
 
Stromlaufplan Dieser Chip ist ein einfacher Step-Up-Regler mit einer Schaltfrequenz von 19 kHz, wobei in der Grundeinstellung die On-Zeit 38µs und die OFF-Zeit 15µs beträgt. Daraus errechnet sich als Ausgangsspannung das 3,5-fache der Eingangsspannung. Eine frische Batteriezelle mit 1,5V ergibt (abzüglich des Spannungsabfalls in der Diode) eine Ausgangsspannung von 5V.

Bei einer kleineren Eingangsspannung wird das Tastverhältnis angepasst, um die 5V-Ausgangsspannung konstant zu halten. Die Funktion ist bis hinab zu 1V garantiert.

Als Diode sollte eine schnelle Shottky-Diode wie die 1N5818 oder die SB130 eingesetzt werden, um eine gute Effizienz zu erzielen. 
Als Elko sollte ein low-ESR-Typ verwendet werden. Das sind speziell für Schalt-Anwendungen gedachte Elkos. Auch Tantal-Elkos eignen sich gut.
Bei der Wahl der Spule ist auf geringen Innenwiderstand zu achten.

Der Nachteil des LT1073-5 ist sein hoher Preis von etwa 8,-€.

NC-Akku
Die Bauelemente-Daten im obigen Bild sind für den Betrieb aus einer normalen Batterie-Zelle gedacht. Soll die Schaltung aus einem NC-Akku (Zellenspannung nur 1,2 V) betrieben werden, so lässt sich nur ein Ausgangsstrom von 10mA sicher erzeugen. Dafür ist die Spule auf 180µH zu vergrößern und der Kondensator auf 22µF zu verkleinern.

nach oben

12V aus 5V

Variante 1:
 
Stromlaufplan Ist die Ausgangsspannung höher, dann kann man zu billigen Standardschaltkreisen greifen. 

Nebenstehende Schaltung ist zwar etwas aufwendiger als die Schaltung mit dem LT1073, dafür belaufen sich die Bauelementekosten insgesamt aber auf weniger als 3 Euro.

Die Ausgangsspannung ist proportional zur Eingangsspannung. Falls die Eingangsspannung schwankt, dann schwankt die Ausgangsspannung auch.

Die kondensatorlose Beschaltung des NE555 hat für etwas Verwirrung gesorgt. Es ist L1, die die Frequenz der Schwingung bestimmt. Mit 220uH liegt die Frequenz bei ca 40kHz.

Variante 2:

Eine stabilisierte Ausgangsspannung liefert dagegen diese Schaltung mit dem TL497 (< €2.-)

Es ist ein normaler Step-up-Regler, Schalttransistor und Diode sind im Chip enthalten (im Stromlaufplan zur Verdeutlichung eingezeichnet), wodurch die Schaltung sehr kompakt ausfällt. Mit Cf wird die ON-Zeit des step-up-Wandlers auf 18µs fest eingestellt. Die OFF-Zeit regelt der TL497 je nach benötigter Ausgangsspannung. Damit ergibt sich für 12V maximale Schaltfrequenz von ca. 30 kHz.
Stromlaufplan Der TL497 regelt die Ausgangsspannung so, dass am Pin 1 genau 1,2V anliegen. Es lassen sich also auch andere Spannungen als 12V erzeugen. Die Spannungswahl erfolgt mit dem 10k-Regelwiderstand. Als Spule eignen sich billige Festinduktivitäten zwischen 50µH und 1,5nH  (z.B. in Widerstandsbauform bei Conrad).

Ri ist Bestandteil der Strombegrenzung, die Schaltung ist für einen Ausgangsstrom von 7mA (bei 12V) dimensioniert. Größere Ströme sind möglich, aber dann ist Ri indirekt-proportional zu verkleinern, und der Ausgangselko proportional zu vergrößern.

Das Limit liegt bei einem Ausgangsstrom von 70 mA, bei Ri=1 Ohm und 220µF am Ausgang. dabei sollte die Spule mindestens 180µH groß sein.

nach oben

9V aus 5V

In jedem Elektronikkatalog gibt es DC/DC-Wandler. Das sind kleine schwarze Module, die wie zu groß geratene Schaltkreise aussehen, und direkt auf Platinen gelötet werden. Leider sind die nicht gerade billig. So zwischen 10 € und 20 € muss man schon anlegen, um ein Modul mit 1W .. 3W Ausgangsleistung zu erwerben. 1,8-Watt-Module, die 5V DC in 9V DC wandeln, gibt es aber auch fast umsonst. Sie sind nämlich auf alten Netzwerkkarten mit BNC-Anschluss verbaut. Solche Karten wurden in großer Zahl ausgesondert, da sie oft nicht 100-MBit-fähig sind.

Auf dem nebenstehenden Foto sieht man eine solche Karte. Der DC/DC-Wandler ist die schwarze Box in der oberen linken Ecke.

alte Netzwerkkarte
ein alter Ethernetswitch Also Augen auf, und wenn eine alte Netzwerkkarte mit BNC-Anschluss verschrottet wird, dann noch schnell den DC/DC-Wandler herunterlöten.

Übrigens enthalten nicht nur alte Netzwerkkarten solche DC/DC-Wandler, sondern auch alte Switches, sofern sie über einen BNC-Anschluss verfügen.
Das nebenstehende Bild zeigt das Innenleben eines kleinen10-MBit-Switches. Oben rechts ist der BNC-Anschluss, der auf das Vorhandsensein des Wandlers schließen lässt. Der Wandler selbst ist die schwarze Box (3,2 cm x 1,4 cm) mit der Aufschrift 'YCL'.

Das Pinout des DC/DC-Wandlers entspricht einem übergroßem 24-Pin-Schaltkreis, bei dem die Pins 2-9 und 16-23 fehlen. Die Pinbelegung ist:

Eingang und Ausgang sind galvanisch getrennt, so dass auch eine negative Spannung von -9V erzeugt werden könnte. Ebendso wäre ein 'Aufsatteln' der 9V auf die vorhandenen 5V möglich, um 14V zu erzeugen.

Weitere technische Daten:
 
-
Ausgangsleistung:   1,8 W
-
max.Ausgangsstrom:   200 mA
-
Stromaufnahme ohne Last:   55 mA
-
Stromaufnahme bei max. Last:   600 mA
-
Ausgangsspannung:   9V +-5% (ungeregelt)
-
Lastausregelung:   +-12%

nach oben

zurück zu Schaltregler , Elektronik , Homepage

Autor: sprut
erstellt am  27.06.2003
letzte Änderung: 03.08.2004

Quelle: Application Information der Firmen Linear Technology,  Texas Instruments und Bothhand