RC-5 Fernbedienungstester


zurück zu PIC-Projekte , PIC-Prozessoren , Elektronik , Homepage

Problem
Manchmal ist es nötig, den exakten Code zu ermitteln, den eine Infrarotfernbedienung des Fernsehers oder Videorecorders aussendet. Z.B. wenn man eine Philips-Universalfernbedienung durch Eingabe des richtigen Codes programmieren will, oder wenn man das Zusammenspiel viele Audio- Video-Geräte optimieren will.

funktionstüchtiger Fernbedienungstester Lösung
Meine Lösung ist auf den RC-5 Code beschränkt, den z.B. Philips benutzt. Ein IR-Empfänger ist an einen PIC angeschlossen, der an einer Anzeige jeden empfangenen RC-5-Code decodiert und anzeigt. 

Nebenstehendes Foto zeigt den funktionstüchtigen Aufbau. Die rot/braune Leitung ist der Anschluss für 5V Betriebsspannung.


Funktion
Ich benutze die Hardware der 4-stelligen LED-Anzeige , und schließe an diese einen IR-Empfänger SFH506-36 an. Ich empfehle aber den pinkompatiblen IR-Empfänger TSOP1736 (Reichelt: 1,10 Euro; Conrad: Best.Nr. 171069-xx, Preis 1,55 Euro) einzusetzen, da sich seine interne AVR besser für das RC-5-Protokoll eignet.

Die Software wertet die Impulse, die der IR-Empfänger ausgibt, aus, und zeigt den decodierten RC-5-Code im 4-stelligen Display an. Aus Platzgründen wird der Code hexadezimal angezeigt. Die ersten beiden Stellen zeigen den Gerätecode an und die hinteren beiden Stellen den Kommando-Code. 

Der IR-Empfänger kann direkt an die 3-polige Buchsenleiste der Anzeigeplatine angeschlossen werden: 

  • Pin1 - Masseanschluss
  • Pin2 - +5V-Anschluss
  • Pin3 - Signal an RA4
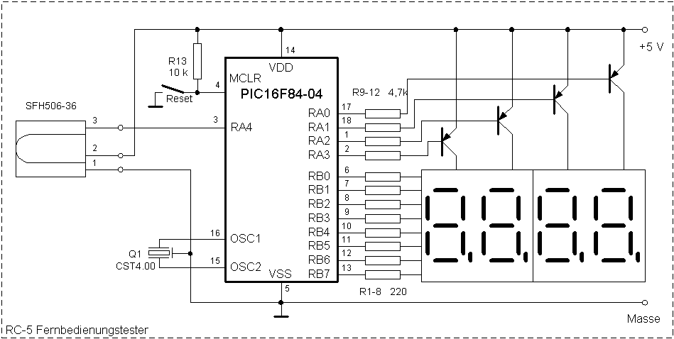
Stromlaufplan, klicken zum vergrößern

Downloads
Hinweise
Anstelle des  IR-Empfängers SFH506-36 sollte der TSOP 1736 verwendet werden, der bei Reichelt und Conrad deutlich billiger zu erwerben ist.

Als PIC eignet sich jeder PIC16F84 oder PIC16F84A. Soll ein PIC16F62x eingesetzt werden, ist das Programm so zu verändern, dass PortA auf digital-I/O umgestellt wird. (Register CMCON mit dem Wert 0x07 beschreiben)

Nebenstehendes Bild zeigt den IR-Empfänger, angelötet an eine 3-polige Steckerleiste. Mit dieser Steckerleiste kann er direkt in die Buchse der LED-Anzeige eingesteckt werden. 

Der Hersteller empfiehlt in die 5-V-Zuführung des IR-Empfängers ein RC-Siebglied (330 Ohm / 4,7 µF) einzufügen, um aus der Stromversorgung kommende Störsignale vom Empfänger fern zu halten. Da die Empfängersoftware solche Spikes unterdrückt, kann dieses RC-Glied entfallen. 

Die Software ist für einen PIC-Takt von 4 MHz ausgelegt.

IR-Empfänger SFH506-36

zurück zu PIC-Projekte , PIC-Prozessoren , Elektronik , Homepage
Autor: sprut
erstellt: 2002
letzte Änderung: 19.08.2009