Am anderen Kabelende wird ein Empfänger mit zwei zufällig ausgewählten Leitungen verbunden. Davon ist eine die Sensorleitung (in), die andere dient nur als Referenz (ref). Der Empfänger zeigt die Nummer der einen Leitung an, ohne dafür eine zusätzliche Verbindung zum Sender zu benötigen. Durch Anschließen des Empfängers nacheinander an alle Leitungen, wird die Zuordnung aller Leitungen eindeutig ermittelt.
Da beide Geräte netzunabhängig sein sollen, bekommen sie
einen
5V-Spannungsregler spendiert. Dadurch können 9-V-Blockbatterien
verwendet
werden. Es darf nicht für beide Geräte die selbe
Spannungsquelle verwendet werden (was angesichts des Anwendungszwecks
ohnehin unpraktisch wäre.)

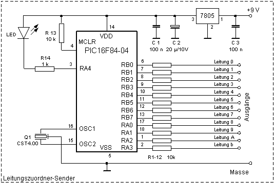
| Funktion: Sender
Der Sender legt alle Leitungen auf Low-Pegel. Dann schickt er der Reihe nach durch alle Leitungen Doppelpulse. Jede Leitung erhält dabei ihren eigenen unverwechselbaren Doppelpuls. Ein Doppelpuls besteht aus einem Startimpuls, und einem Puls, der ein X,5 länger ist als der Startimpuls. (X ist eine ganze Zahl von 1 bis 12) Das Längenverhältnis beschreibt die Nummer der Leitung. Eine flackernde LED zeigt an, dass der Sender eingeschaltet ist. Allerdings flackert die LED so schnell, dass es als Dauerleuchten erscheint. Bei 4-MHz-PIC-Takt flackert die LED schon mit 39Hz. |
![]() |
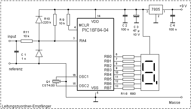
| Funktion: Empfänger
Der Empfänger empfängt den Doppelpuls der an 'input' angeschlossenen Leitung, dekodiert ihn und zeigt die Leitungsnummer an einem LED-Display an. Eine beliebige andere Leitung dient dabei als Pseudo-Masse (Referenzleitung), da ja alle anderen Leitungen zum Zeitpunkt der Übertragung Low-Pegel führen. Wird am Eingang längere Zeit 'High' gemessen (offener Eingang), dann wird als Zeichen einer fehlenden Verbindung anstelle einer Leitungsnummer ein Minus ('-') angezeigt. Die beiden Schutz-Dioden am Eingang sind kleine Shottky-Typen
wie z.B.
BAT43. |
![]() |
Bei höheren Takten als 4 MHz muss ein PIC16F84A-20 oder ein PIC16F84-10 verwendet werden. Der Einsatz von PIC16F628 ist möglich, wenn im Programm die Umschaltung von PortA auf digital-IO eingefügt wird.
Als Anzeige im Empfänger kann eine beliebige 7-Segment-Anzeige mit gemeinsamer Anode eingesetzt wereden. Die Zuordnung der 7 einzelnen Leuchtsegmente zu den Pins des Port B ist aus dem Kommentar am Anfang des Empfänger-ASM-Listings ersichtlich.
Der Empfänger kann auch zum Ausprobieren mit der Hardware der 4-stelligen LED-Ziffernanzeige aufgebaut werden, da das Programm auch RA3 auf output schaltet, und hier Low ausgibt. Damit wird hier die linke Anzeigenstelle aktiviert.
autor: sprut
letzte Änderung: 07.13.2003