Einleitung
Dieses Projekt zeigt wieder mal die preisliche Attraktivität eines
Microcontrollers, die ihn auch für einfachste Anwendungen
interessant machen.
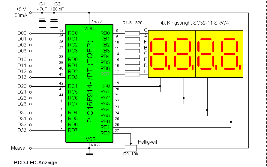
Für eine spezielle Anwendung wurde eine 4-stellige LED-Anzeige
benötigt, die eine 4-stellige Zahl anzeigen sollte, welche im
BCD-Code vorliegt. Das erfordert normalerweise 4 Treiber-ICs für
7-Segment-Anzeigen mit BCD-Eingang. Die hier normalerweise verwendeten
Typen sind heutzutage aber Mangelware, da ihre Produktion eingestellt
ist. Restposten wechseln für Apothekenpreise den Besitzer.
Ein PIC bietet sich da als Lösung an. Auf den ersten Blick ist es
geradezu unsinnig, einen modernen Prozessor mit seinen
vielfältigen Möglichkeiten für so eine einfache Aufgabe
einzusetzen. Auf den zweiten Blick kostet ein PIC16F914-I/PT bei
Reichelt geradeeinmal 2,80 Euro und kann 4 der knappen Treiber-ICs
ersetzen.
Anstelle eines Mikrocontrollers könnte man hier natürlich
auch einen programmierbaren Logikbaustein (PLD, GAL) einsetzen.
Billiger wäre das aber auch nicht, und der Geschwindigkeitsvorteil
eines GAL spielt hier keine Rolle.
Eine Helligkeitseinstellung für das Display gibt es noch dazu.
|

|